- Partiron
- OEM Parts
- Polaris
- ATV
- 1990
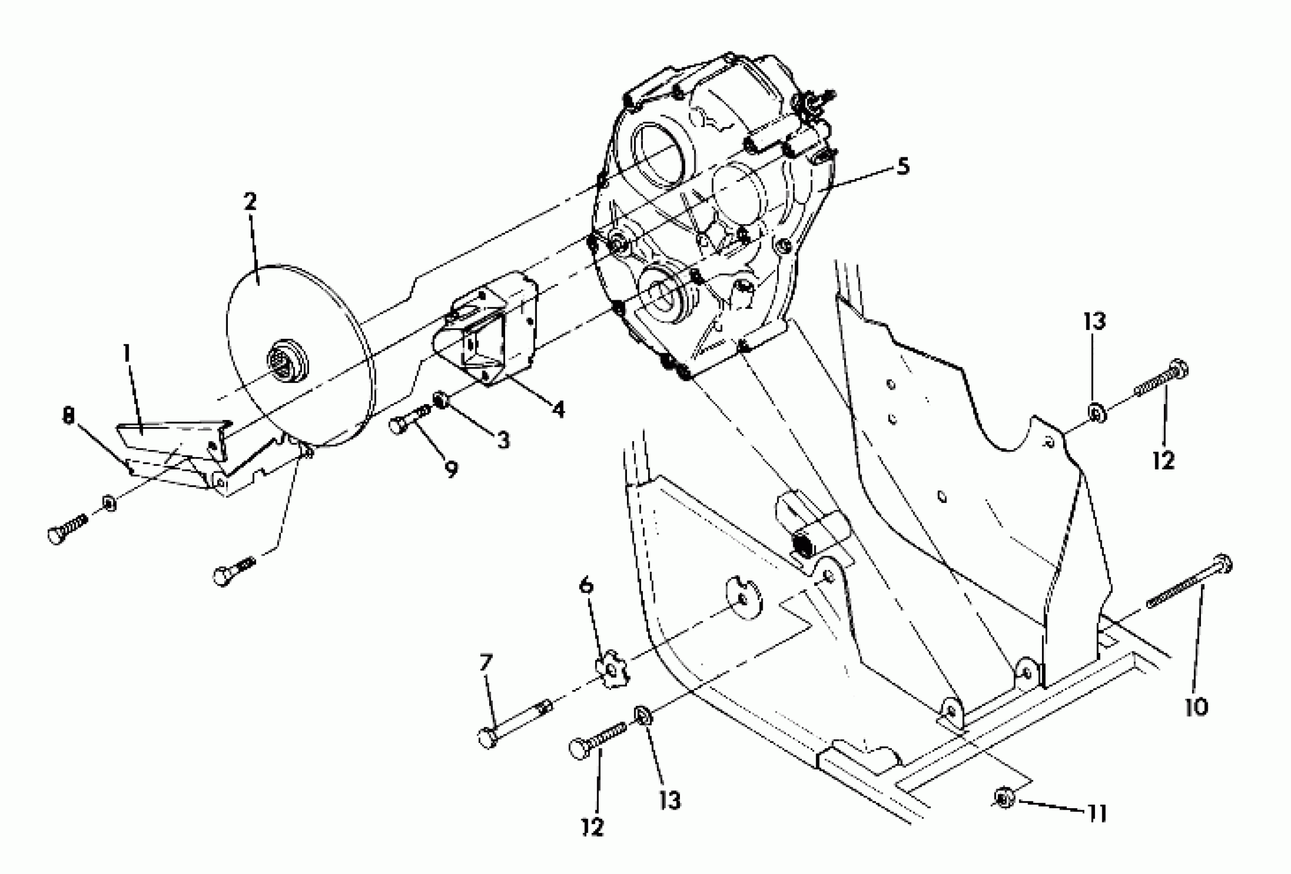
- TRAIL BOSS 350L 2X4 - W907539
R.H.GEARCASE/BRAKE MTG. 350 2X4 (4918531853031A)
Polaris TRAIL BOSS 350L 2X4 - W907539 R.H.GEARCASE/BRAKE MTG. 350 2X4 (4918531853031A) Diagram
#
Description
Price
1
COVER,BRAKE DISC Substituted by 5222563-067
5240117
Unavailable
2
DISC, BRAKE Substituted by 1910087
1910021
Unavailable
4
CALIPER ASM,R.BRAKE Substituted by 1910073 (Complete)
1910046
Unavailable
5
GEARCASE ASM(2X4,4X6) [Cannot Purchase as Assembly]
1341065
Unavailable
7
BOLT, SHOULDER
7512702
Unavailable
8
DECAL(CPSC),BRAKE SHIELD Substituted by 7075339
7072790
Unavailable
12
BOLT(10) Substituted by 7512492
7515458
Unavailable
12
BOLT(10) Substituted by 7512492
7515458
Unavailable
