- Partiron
- OEM Parts
- Polaris
- ATV
- 1990
- TRAIL BOSS 350L 2X4 - W907539
ENGINE & MUFFLER MOUNTING 350 2X4 (4918531853005A)
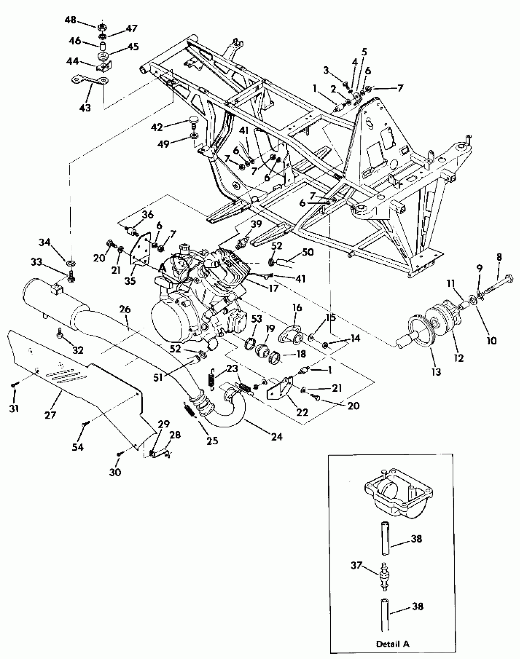
Polaris TRAIL BOSS 350L 2X4 - W907539 ENGINE & MUFFLER MOUNTING 350 2X4 (4918531853005A) Diagram
#
Description
Price
1
MOUNT,MOTOR
3110026
Unavailable
1
MOUNT,MOTOR
3110026
Unavailable
5
MOUNT, ENG.TOP Substituted by 5222415-067
5222415
Unavailable
13
Seal, Cover Case
5410575
Unavailable
14
NUT(10)
3080285
Unavailable
16
MANIFOLD Substituted by 1260543-029
1260543
Unavailable
17
ENG.EC35PL-02 [No Longer Available]
1211466
Unavailable
18
CABLE, TIE
7080346
Unavailable
19
BOOT, INTAKE
5410423
Unavailable
21
WASHER SPRINGLOCK(10) Substituted by 7552603
7553001
Unavailable
21
WASHER SPRINGLOCK(10) Substituted by 7552603
7553001
Unavailable
22
MOUNT, ENGINE Substituted by 1040231-067
1040231
Unavailable
24
HEADPIPE WELD. Substituted by 1260549-029
1260549
Unavailable
26
MUFFLER Substituted by 1260547-029
1260547
Unavailable
27
SHIELD, MUFFLER Substituted by 5222417-067
5222417
Unavailable
28
BRACKET Substituted by 5222550-067
5222550
Unavailable
29
NUT, SPEED
7670069
Unavailable
30
SCREW,(10)
7511997
Unavailable
35
MOUNT, REAR, ATV Substituted by 5222416-067
5222416
Unavailable
36
MOUNT, MOTOR
3110028
Unavailable
37
CHECKVALVE,VENT Substituted by 7051011
7052047
Unavailable
38
LINE,VENT,(38.0'') Substituted by 8360009-600
5521087
Unavailable
38
LINE,VENT,(38.0'') Substituted by 8360009-600
5521087
Unavailable
41
CABLE,GROUND/ENG.
4010067
Unavailable
41
CABLE,GROUND/ENG.
4010067
Unavailable
42
MOUNT, MOTOR
3110030
Unavailable
44
BRKT,LH SUPPORT RACK Substituted by 5220899-067
5220899
Unavailable
44
BRKT,RH SUPPORT RACK Substituted by 5220901-067
5220901
Unavailable
45
DAMPENER
5410241
Unavailable
51
HOSE, LOWER ENG.
5410606
Unavailable
52
CLAMP-HOSE Substituted by 7080547
7080225
Unavailable
52
CLAMP-HOSE Substituted by 7080547
7080225
Unavailable
53
CLAMP
7080136
Unavailable
