- Partiron
- OEM Parts
- Polaris
- ATV
- 2008
- TRAIL BOSS 330 - A08CA32AA
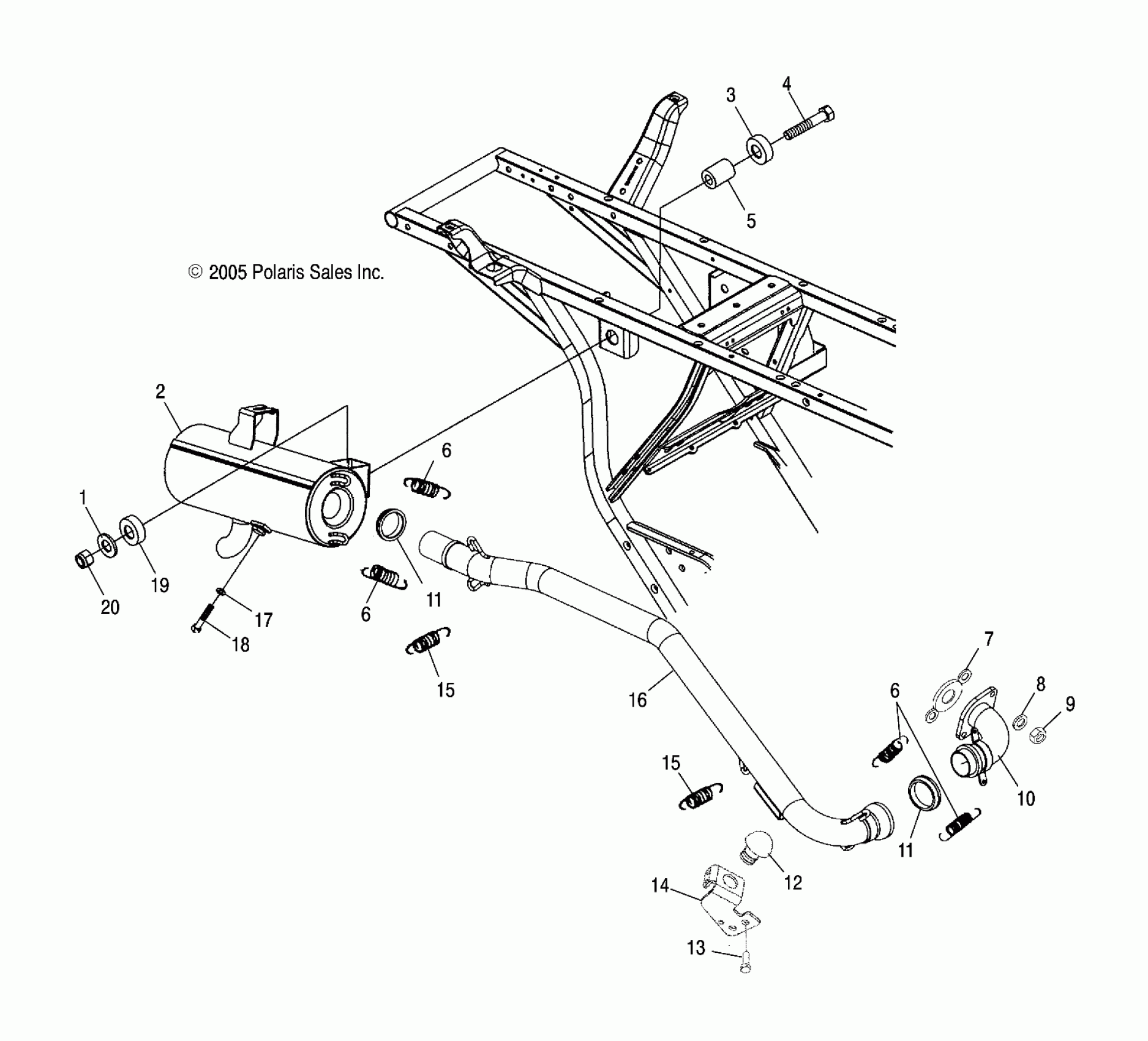
ENGINE, EXHAUST SYSTEM - A08CA32AA (4999202939920293A09)
Polaris TRAIL BOSS 330 - A08CA32AA ENGINE, EXHAUST SYSTEM - A08CA32AA (4999202939920293A09) Diagram
#
Description
Price
8
Washer, Spring
3080051
Unavailable
9
Nut
3086787
Unavailable
14
Bracket, Exhaust Pipe Support
5248301
Unavailable
16
Headpipe, Black
1260987-489
Unavailable
