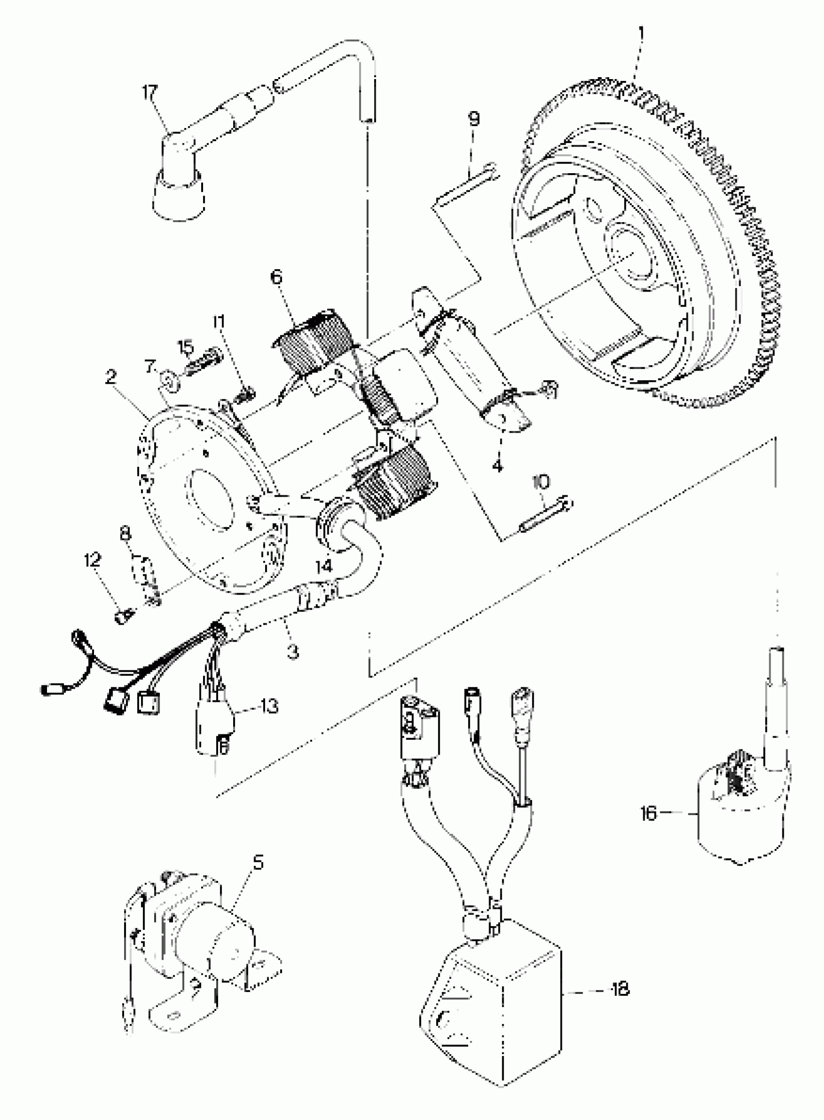
Polaris TRAIL BOSS 2X4 - W897527 Magneto Assembly (4916341634037A) Diagram
#
Description
Price
-
PLATE ASM. (Incl. 2-6, 8-14, 20)
3083979
Unavailable
4
Coil, Exciting
3083422
Unavailable
5
SWITCH-MAGNETIC Substituted by 3085521
3083211
Unavailable
6
COIL,LIGHT(STATOR 1)
3083976
Unavailable
8
Clamp
3081296
Unavailable
14
Grommet
3083773
Unavailable
15
SCREW&WASHER Substituted by 3086788
3083774
Unavailable
16
COIL, IGNITION *
3083923
Unavailable
17
CAP-SPARK PLUG Substituted by 4020129
3083282
Unavailable
18
CDI UNIT *
3083977
Unavailable
