- Partiron
- OEM Parts
- Polaris
- ATV
- 1988
- TRAIL BOSS 2X4 - W887527
Engine and Muffler Mounting (4914771477005A)
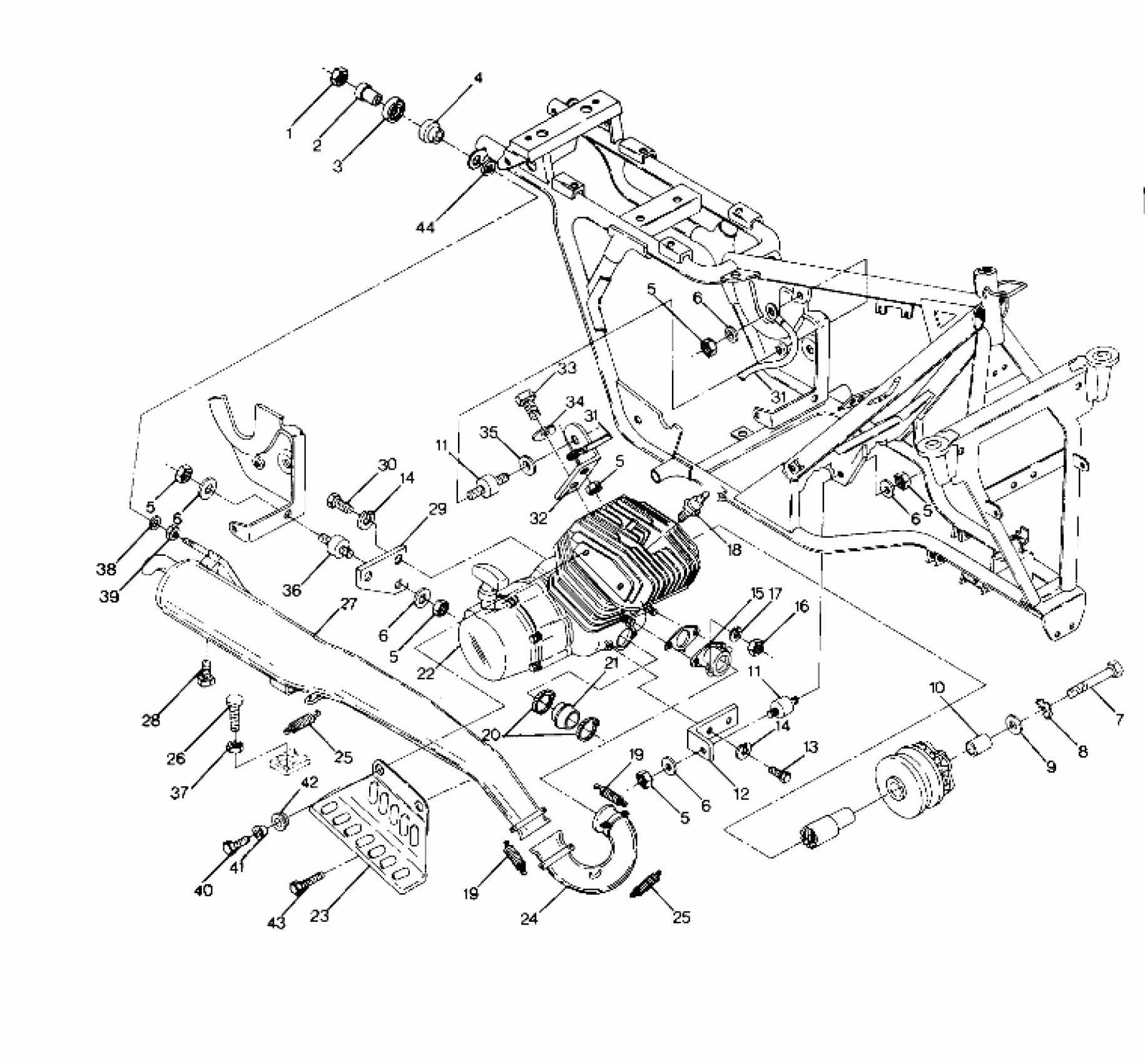
Polaris TRAIL BOSS 2X4 - W887527 Engine and Muffler Mounting (4914771477005A) Diagram
#
Description
Price
2
BUSHING,MUFFLER MT.
5020438
Unavailable
3
CAP,VIB. DAMPNER
5220630
Unavailable
4
DAMPENER-MTR.MT.
5410326
Unavailable
11
MOUNT,MOTOR
3110026
Unavailable
11
MOUNT,MOTOR
3110026
Unavailable
12
PLATE,FRONT MT.
5220589
Unavailable
14
WASHER SPRINGLOCK(10) Substituted by 7552603
7553001
Unavailable
14
WASHER SPRINGLOCK(10) Substituted by 7552603
7553001
Unavailable
15
MANIFOLD
1260509
Unavailable
16
NUT(10)
3080285
Unavailable
18
SPARKPLUG, RN4YC(3)
3070167
Unavailable
20
CABLE, TIE
7080346
Unavailable
22
ENG.EC25PF-03 [No Longer Available]
1211458
Unavailable
23
HEATSHIELD,MUFFLER Substituted by 5220671-067
5220671
Unavailable
26
MOUNT, MOTOR
3110030
Unavailable
27
MUFFLER WELD.
1260524
Unavailable
29
PLATE,REAR MOUNT
5220588
Unavailable
31
CABLE,GROUND/ENG.
4010067
Unavailable
31
CABLE,GROUND/ENG.
4010067
Unavailable
32
MOUNT,ENG.,TOP Substituted by 5220471-067
5220471
Unavailable
36
MOUNT, MOTOR
3110028
Unavailable
41
COLLAR
3083732
Unavailable
