- Partiron
- OEM Parts
- Polaris
- ATV
- 1992
- TRAIL BOSS 250 - W928527
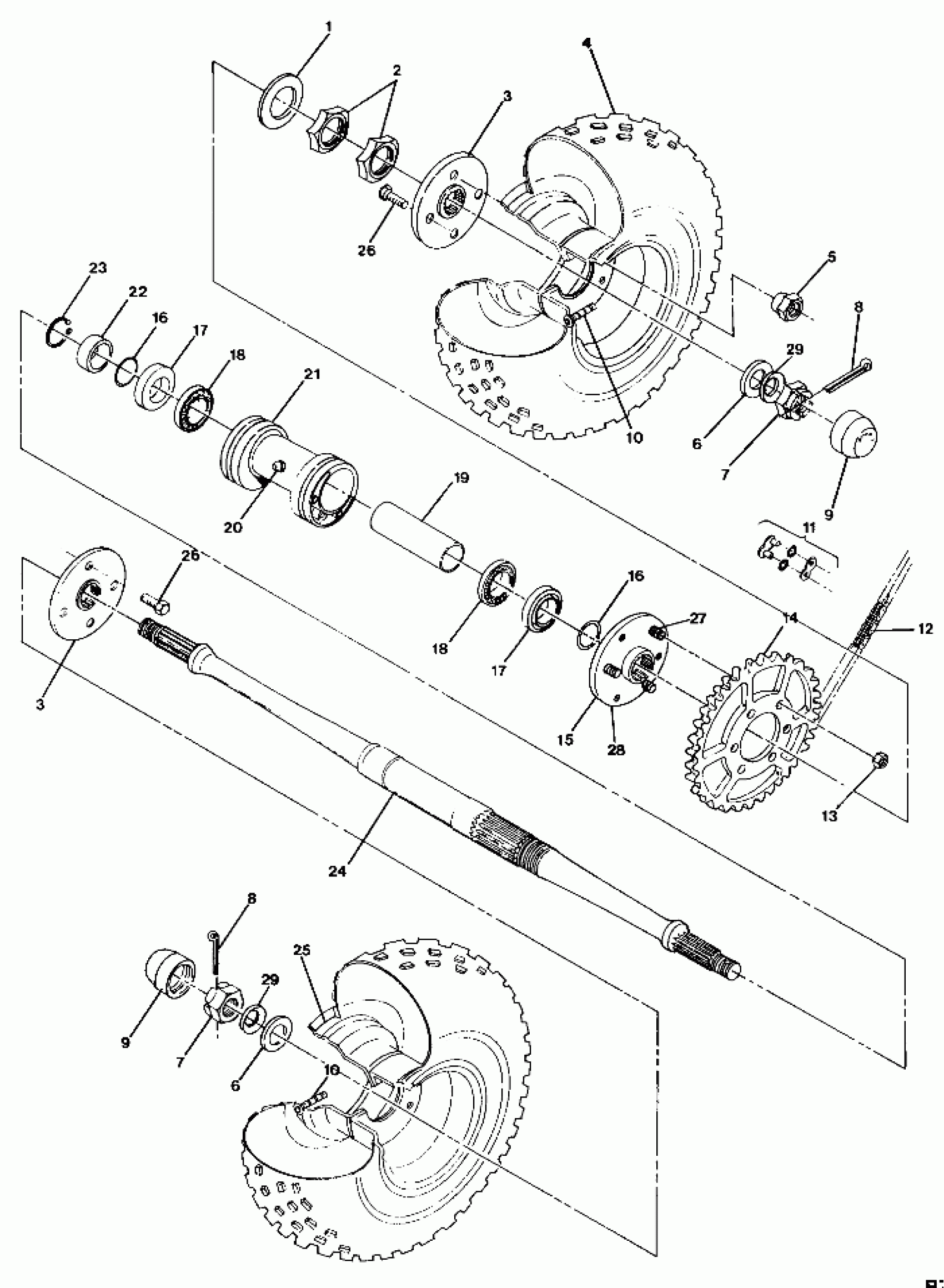
REAR WHEEL DRIVE ASSEMBLY Trail Boss / W928527 (4922892289017A)
Polaris TRAIL BOSS 250 - W928527 REAR WHEEL DRIVE ASSEMBLY Trail Boss / W928527 (4922892289017A) Diagram
#
Description
Price
1
WASHER(10)
7555764
Unavailable
4
TIRE,REAR,(4X6)
5410539
Unavailable
7
NUT, CASTLE(10)
7543005
Unavailable
7
NUT, CASTLE(10)
7543005
Unavailable
9
COVER,DUST,HUB Substituted by 5411164
5410404
Unavailable
9
COVER,DUST,HUB Substituted by 5411164
5410404
Unavailable
12
CHAIN, DRIVE, 84P Substituted by 3224056-084 (Includes Connector)
3224047
Unavailable
15
HUB, SPROCKET Substituted by 1520170
5630402-067
Unavailable
16
O RING, 1 5/16(10)
5410415
Unavailable
16
O RING, 1 5/16(10)
5410415
Unavailable
19
TUBE,BEARING SPACER
5010204
Unavailable
21
HOUSING, AXLE
5130663
Unavailable
25
RIM,REAR, WELD. (Silver)
1520114
Unavailable
28
SPROCKET HUB ASM.
1520170
Unavailable
