- Partiron
- OEM Parts
- Polaris
- ATV
- 1992
- TRAIL BOSS 250 - W928527
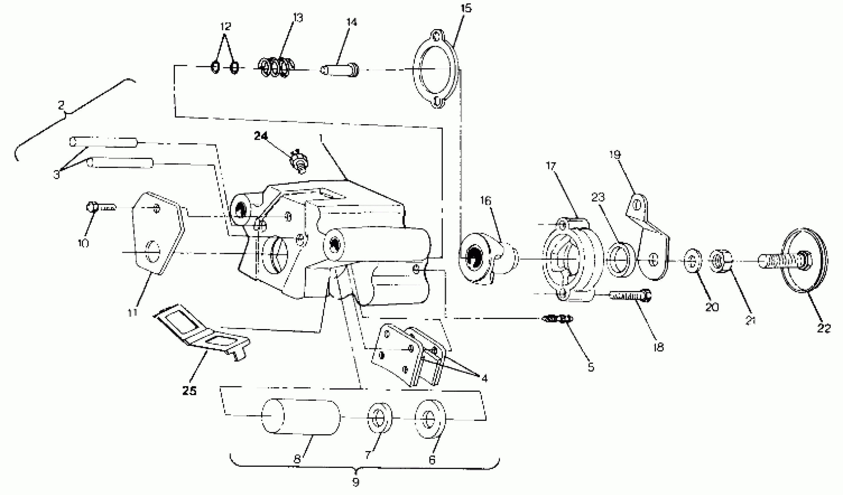
REAR BRAKE ASSEMBLY Trail Boss / W928527 (4922892289030A)
Polaris TRAIL BOSS 250 - W928527 REAR BRAKE ASSEMBLY Trail Boss / W928527 (4922892289030A) Diagram
#
Description
Price
-
CALIPER, R.BRAKE (Compl.)
1910073
Unavailable
1
CALIPER,REAR BRAKE
5130714
Unavailable
4
Brake Pad, Rear
-------
Unavailable
6
Seal Ring, .120 Sq.
-------
Unavailable
7
Seal Ring, .066 Sq.
-------
Unavailable
8
Brake Piston, Rear
-------
Unavailable
9
KIT,BRAKE SEALS&PISTON (Incl. 6-8,12,14,15)
1930666
Unavailable
11
PLATE, PIN
5211143
Unavailable
12
O-Ring, .070
-------
Unavailable
14
Brake Pin, Actuator
-------
Unavailable
16
RAMP,MOVE.BRAKE Substituted by 2200391
5630394
Unavailable
17
RAMP,STATION.BRAKE Substituted by 2200391
5630395
Unavailable
18
BOLT, SOC. HD.(10)
7512292
Unavailable
19
ARM,BRAKE,CALIPER
5222664
Unavailable
20
WASHER, SPRING(10)
7555828
Unavailable
22
KNOB,BRAKE ADJUSTOR
1930691
Unavailable
24
SWITCH, STOPLIGHT
4110089
Unavailable
25
SPRING,ANTI-RATTLE
5222232
Unavailable
