Partiron

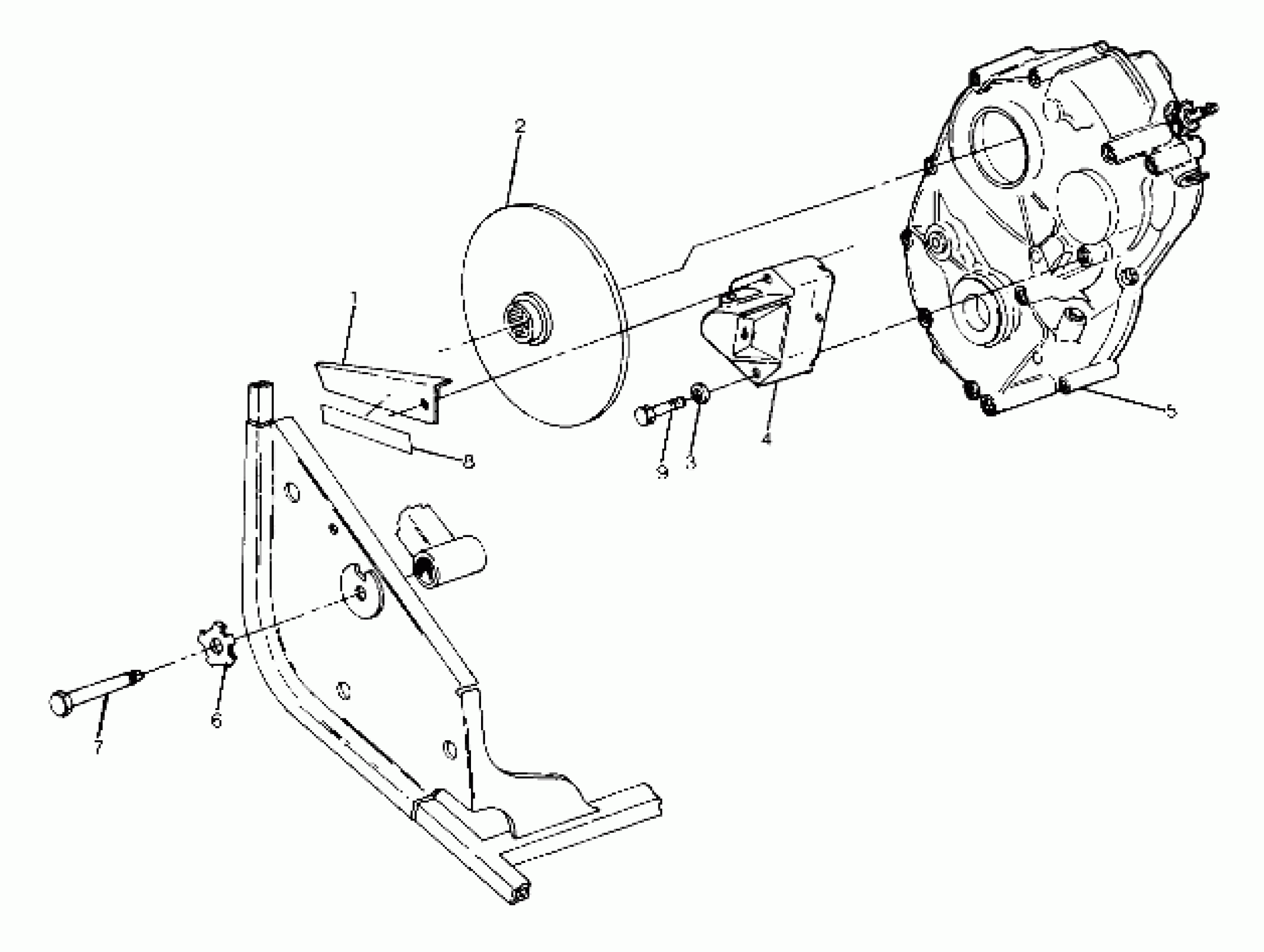
Polaris TRAIL BOSS 250 - W908527 Right Hand Gearcase and Brake Mounting (4917711771029A) Diagram

#

Description
Price

1

COVER,BRAKE DISC Substituted by 5222563-067

5240117

Unavailable

2

DISC, BRAKE Substituted by 1910087

1910021

Unavailable

3

WASHER-.344X.688X.063 FL-Y

7558402

$1.49

4

CALIPER ASM,R.BRAKE Substituted by 1910073 (Complete)

1910046

Unavailable

5

TRANSMISSION(T.B.)

1341064

Unavailable

6

PLATE,BOLT LOCK

5220958

$35.99

7

BOLT, SHOULDER

7512701

$23.99

7

BOLT, SHOULDER

7512702

Unavailable

8

DECAL(CPSC),BRAKE SHIELD Substituted by 7075339

7072790

Unavailable

9

BOLT(10)

7515345

$5.59