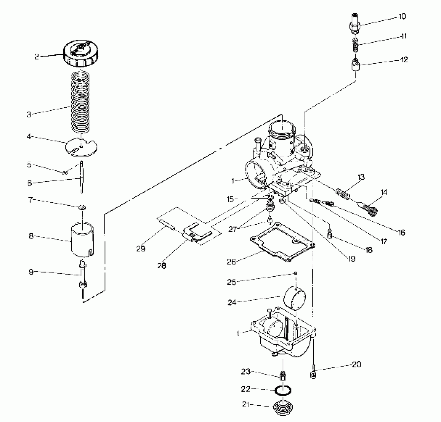
Polaris TRAIL BOSS 250 - W908527 Carburetor Assembly (4917711771036A) Diagram
#
Description
Price
1
CARBURETOR Substituted by 3130424
3130383
Unavailable
1
CARBURETOR Substituted by 3130424
3130383
Unavailable
2
TOP,MIX CHAMBER
3130060
Unavailable
3
SPRING,CARB.COMPRESS
7041226
Unavailable
5
E RING(10) Substituted by 3130508
3130003
Unavailable
8
VALVE,THROTTLE,(2.0)
3130420
Unavailable
21
BOLT,BANJO Substituted by 3130321
3082471
Unavailable
22
O RING
3130239
Unavailable
23
JET,MAIN,HX.HD.#145
3130112
Unavailable
