Partiron

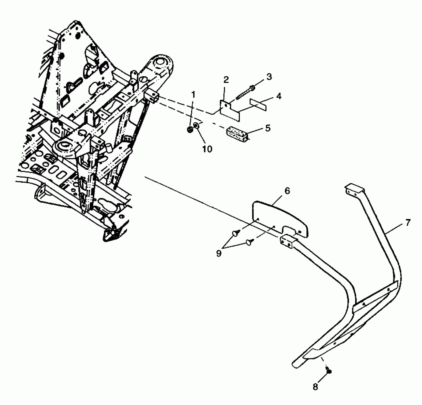
Polaris TRAIL BLAZER - W98BA25C FRONT BUMPER and SHIELDS Trail Blazer W98BA25C (4945464546A007) Diagram

#

Description
Price

1

NUT-5/16-18 NYLOK-Y

7542324

$1.49

2

PLATE,REFLECTOR, BLK

5211329-067

$2.55

3

BOLT(10)

7512329

$3.99

4

REFLECTOR ASM,AMBER

2670134

$9.70

5

PLUG, FRAME

5810467

Unavailable

6

SHIELD-DEFLECTOR,BLACK

5850125

Unavailable

6

SHIELD,LH DEFLECTOR

5850124

Unavailable

7

BUMPER,FRONT,BLK. Substituted by 1012773-067

1040527-067

$259.99

8

SCREW(10)

7515399

$1.49

9

CLIP-PLASTIC DART, NYLON

7670088

$1.59

10

WASHER-.344X.688X.063 FL-Y

7558402

$1.49