- Partiron
- OEM Parts
- Polaris
- ATV
- 1994
- TRAIL BLAZER - W947221
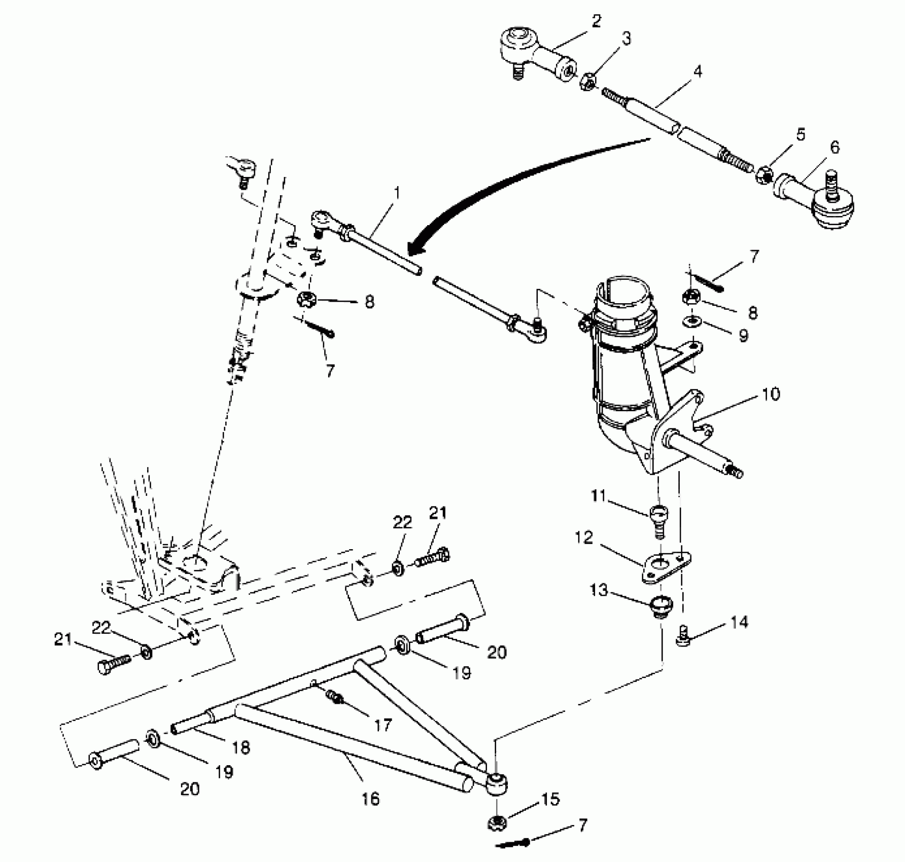
STEERING/A-ARM ASSEMBLY Trail Blazer W947221 (4926832683B005)
Polaris TRAIL BLAZER - W947221 STEERING/A-ARM ASSEMBLY Trail Blazer W947221 (4926832683B005) Diagram
#
Description
Price
1
TIE ROD ASM. Substituted by 1822307
1822070
Unavailable
5
NUT, LH, 10 MM.(10)
7546902
Unavailable
10
Support, Strut & Spindle, LH (See Pg. A14, Ref. 16)
-------
Unavailable
10
Support, Strut & Spindle, RH (See Pg. A14, Ref. 16)
-------
Unavailable
11
BALL JOINT Substituted by 7080673
7080364
Unavailable
13
Boot, Rubber
5410548
Unavailable
16
KIT,A-FRAME,LH
2200477
Unavailable
16
KIT,A-FRAME,RH (Incl. 7, 16, 17, 19-22)
2200478
Unavailable
18
SHAFT, A-ARM,(2X4)
5020680
Unavailable
20
BUSHING,A-ARM,LONG. Substituted by 5433066
5431596
Unavailable
20
BUSHING,A-ARM,LONG. Substituted by 5433066
5431596
Unavailable
21
BOLT(10) Substituted by 7512492
7515458
Unavailable
21
BOLT(10) Substituted by 7512492
7515458
Unavailable
