- Partiron
- OEM Parts
- Polaris
- ATV
- 1993
- TRAIL BLAZER - W937221
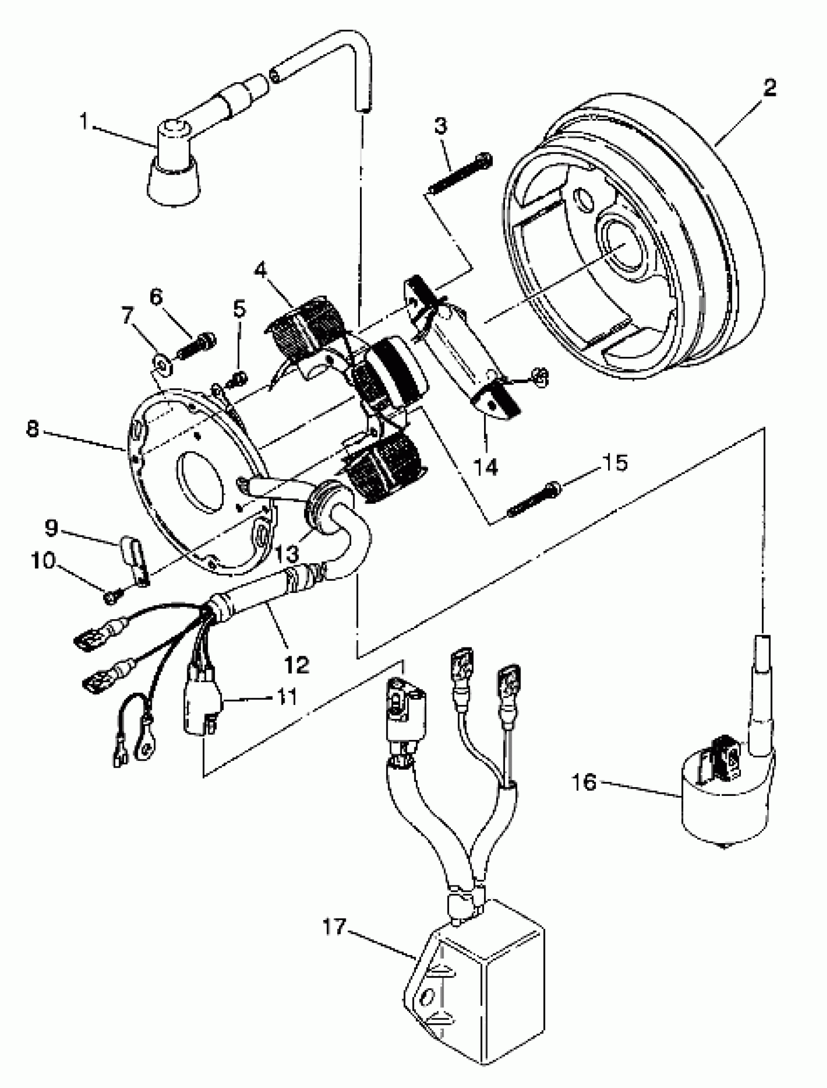
MAGNETO Trail Blazer W937221 (4924082408031A)
Polaris TRAIL BLAZER - W937221 MAGNETO Trail Blazer W937221 (4924082408031A) Diagram
#
Description
Price
4
COIL,LIGHT(STATOR 1)
3083976
Unavailable
6
SCREW&WASHER Substituted by 3086788
3083774
Unavailable
8
PLATE ASM. (Incl. 3-5,9-15)
3083979
Unavailable
10
Clamp
3081296
Unavailable
13
Grommet
3083773
Unavailable
14
Coil, Exciting
3083422
Unavailable
16
COIL, IGNITION *
3083923
Unavailable
17
CDI UNIT *
3083977
Unavailable
