- Partiron
- OEM Parts
- Polaris
- ATV
- 1991
- TRAIL BLAZER - W917221
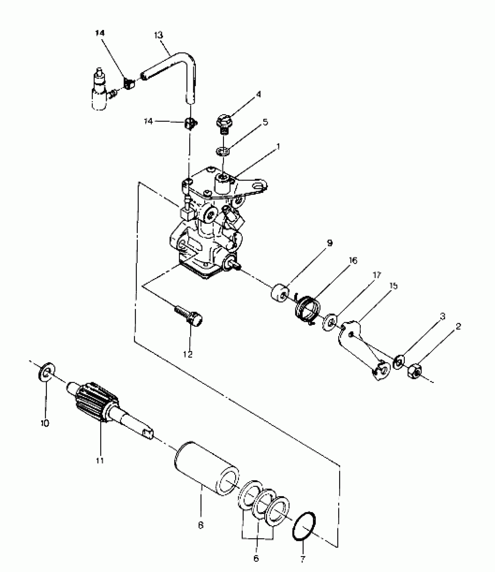
OIL PUMP ASSEMBLY TRAIL BLAZER (4919761976035A)
Polaris TRAIL BLAZER - W917221 OIL PUMP ASSEMBLY TRAIL BLAZER (4919761976035A) Diagram
#
Description
Price
1
OIL PUMP ASM. Substituted by 3085542 (F1B) (Incl. 4, 5, 7, 9,13-17)
3083806
Unavailable
4
SCREW-AIR VENT
3083125
Unavailable
6
SPACER #3
3083673
Unavailable
6
SPACER #2
3083672
Unavailable
6
SPACER #1
3083671
Unavailable
7
O RING
3083127
Unavailable
11
Gear, Small
3083429
Unavailable
13
PIPE, RUBBER Substituted by 3083446
3083139
Unavailable
15
LEVER, CONTROL
3083935
Unavailable
16
SPRING-RETURN
3083123
Unavailable
