- Partiron
- OEM Parts
- Polaris
- ATV
- 1991
- TRAIL BLAZER - W917221
CARBURETOR ASSEMBLY TRAIL BLAZER (4919761976036A)
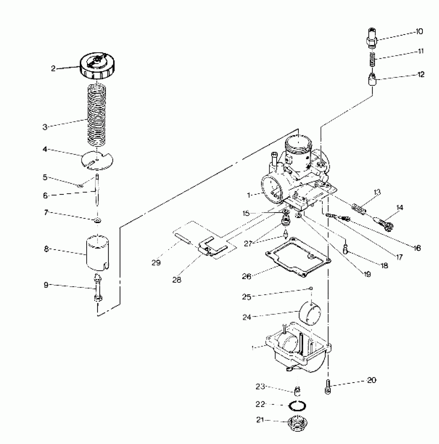
Polaris TRAIL BLAZER - W917221 CARBURETOR ASSEMBLY TRAIL BLAZER (4919761976036A) Diagram
#
Description
Price
1
CARBURETOR
3130424
Unavailable
1
CARBURETOR
3130424
Unavailable
2
TOP,MIX CHAMBER
3130060
Unavailable
5
E RING Substituted by 3130003
3130368
Unavailable
8
VALVE,THROTTLE,(2.0)
3130420
Unavailable
15
PACKING(10) Substituted by 3130017
3080524
Unavailable
16
AIR SCREW Substituted by 3130011
3130369
Unavailable
20
SCREW & WASHER(10) Substituted by 3130025
3080175
Unavailable
21
BOLT,BANJO Substituted by 3130321
3082471
Unavailable
22
O RING Substituted by 3130239
3082472
Unavailable
23
JET,MAIN,HX.HD.#145
3130112
Unavailable
