- Partiron
- OEM Parts
- Polaris
- ATV
- 2002
- TRAIL BLAZER - A02BA25CA/CD
ENGINE MOUNTING - A02BA25CA/CB/CD (4969896989A07)
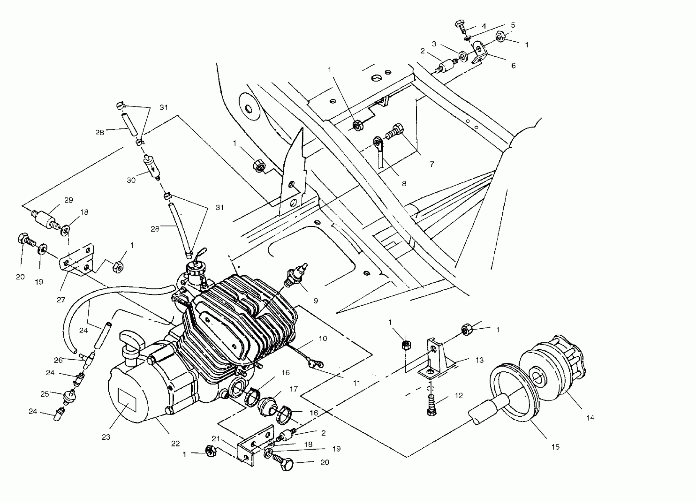
Polaris TRAIL BLAZER - A02BA25CA/CD ENGINE MOUNTING - A02BA25CA/CB/CD (4969896989A07) Diagram
#
Description
Price
2
Mount, Motor
3110026
Unavailable
2
Mount, Motor
3110026
Unavailable
6
Bracket, Engine Mount, Top
5244119-067
Unavailable
8
Cable, Ground, Engine, Small Hole
4010132
Unavailable
10
Cable, Solenoid/Starter
4010129
Unavailable
14
ASM., DRIVE CLUTCH, BASIC ATV-08 (See Drive Clutch Pg. B9, Ref. 20)
-------
Unavailable
15
SEAL, COVER, CASE (See Clutch Cover Pg. C2, Ref. 26)
-------
Unavailable
18
WASHER, FLAT
7555823
Unavailable
18
WASHER, FLAT
7555823
Unavailable
22
Engine, Short Block (EC25PFE15) NOTE: The Short Block assembly contains a crankcase assembly, cylinder and cylinder head assembly, and a piston & crankshaft assembly. Prior authorization required
3084717
Unavailable
23
Decal, Drain Recoil
7078577
Unavailable
24
LINE, FUEL
8360009-600
Unavailable
24
LINE, FUEL
8360009-600
Unavailable
24
LINE, FUEL
8360009-600
Unavailable
25
VALVE, CHECK, VENT
7051011
Unavailable
26
Fitting, Tee
7052005
Unavailable
27
Bracket, Engine Mount, Rear
5242897-067
Unavailable
28
Line, Fuel
8450003-1525
Unavailable
28
Line, Fuel
8450003-1525
Unavailable
29
Mount, Engine, Rubber
3110028
Unavailable
