- Partiron
- OEM Parts
- Polaris
- ATV
- 2013
- TRAIL BLAZER 330 - A13NA32AA
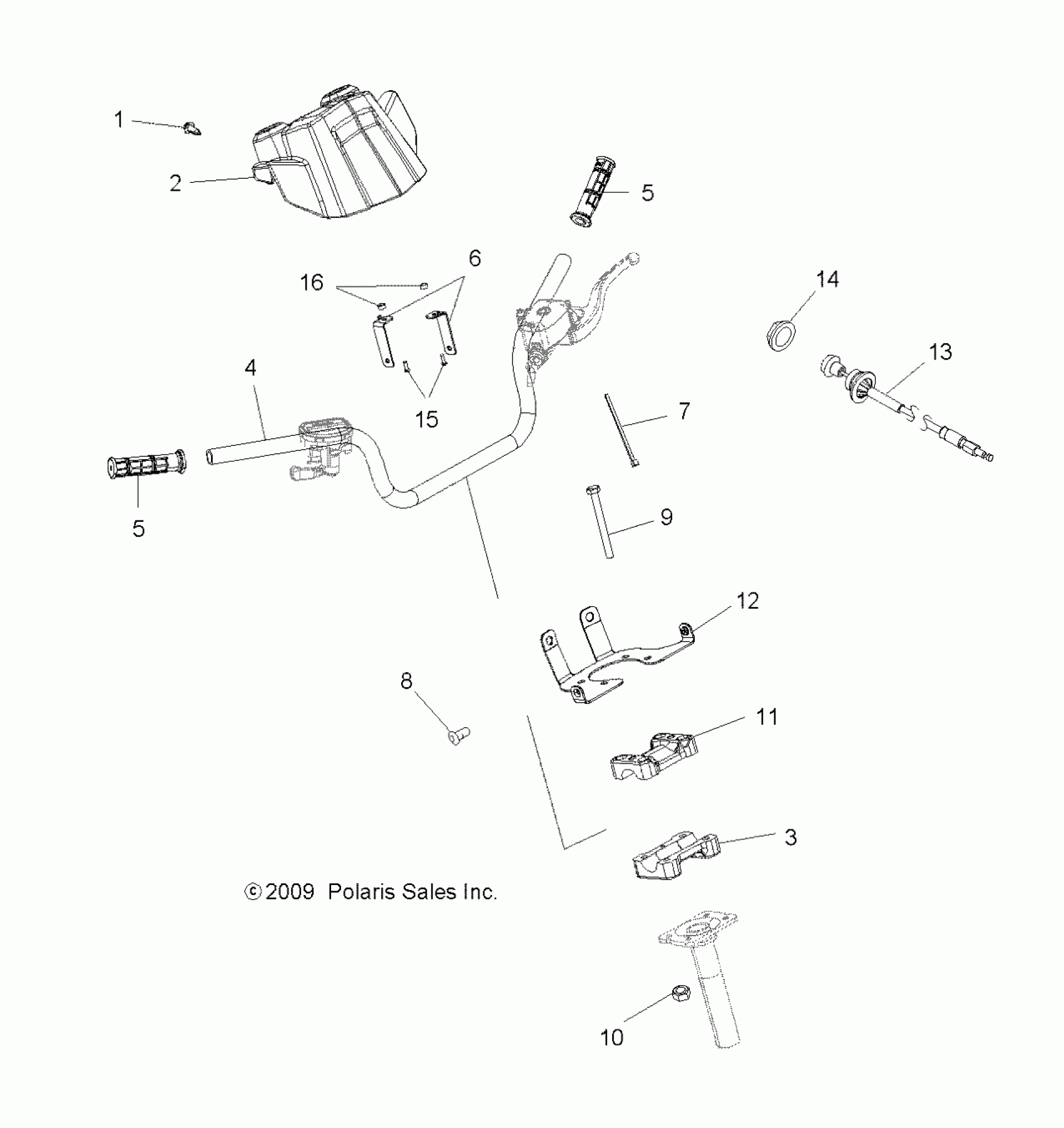
STEERING, HANDLEBAR and CONTROLS - A13NA32AA (49ATVHANDLEBAR10TB)
Polaris TRAIL BLAZER 330 - A13NA32AA STEERING, HANDLEBAR and CONTROLS - A13NA32AA (49ATVHANDLEBAR10TB) Diagram
#
Description
Price
6
Mount, Pod Support
5250156
Unavailable
9
SCREW
7515189
Unavailable
12
Bracket, Pod
5250697-329
Unavailable
13
CABLE, CHOKE
7081171
Unavailable
