- Partiron
- OEM Parts
- Polaris
- ATV
- 1999
- TRAIL BLAZER 250 - A99BA25CA
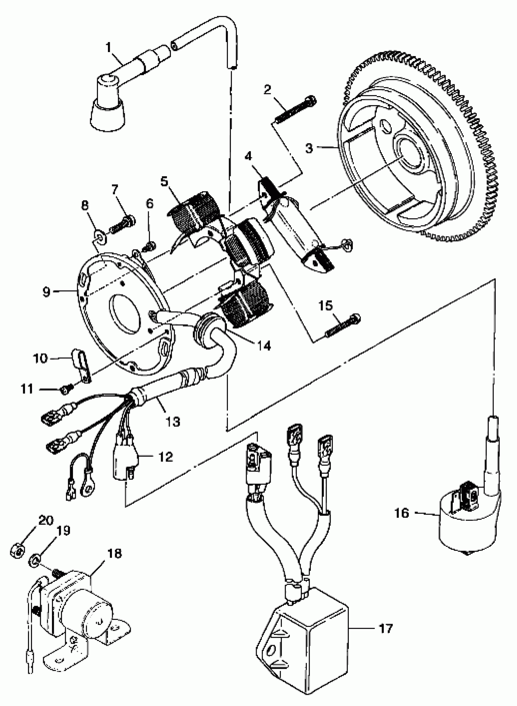
MAGNETO - A99BA25CA (4949574957c010)
Polaris TRAIL BLAZER 250 - A99BA25CA MAGNETO - A99BA25CA (4949574957c010) Diagram
#
Description
Price
4
Coil, Exciting
3083422
Unavailable
5
COIL,LIGHT(STATOR 1)
3083976
Unavailable
7
SCREW&WASHER Substituted by 3086788
3083774
Unavailable
9
PLATE ASM. (Incl. 2,4,5,6,9-15)
3083979
Unavailable
10
Clamp
3081296
Unavailable
14
Grommet
3083773
Unavailable
16
COIL, IGNITION *
3083923
Unavailable
17
CDI UNIT *
3083977
Unavailable
