- Partiron
- OEM Parts
- Polaris
- ATV
- 1999
- TRAIL BLAZER 250 - A99BA25CA
ENGINE MOUNTING - A99BA25CA (4949574957a009)
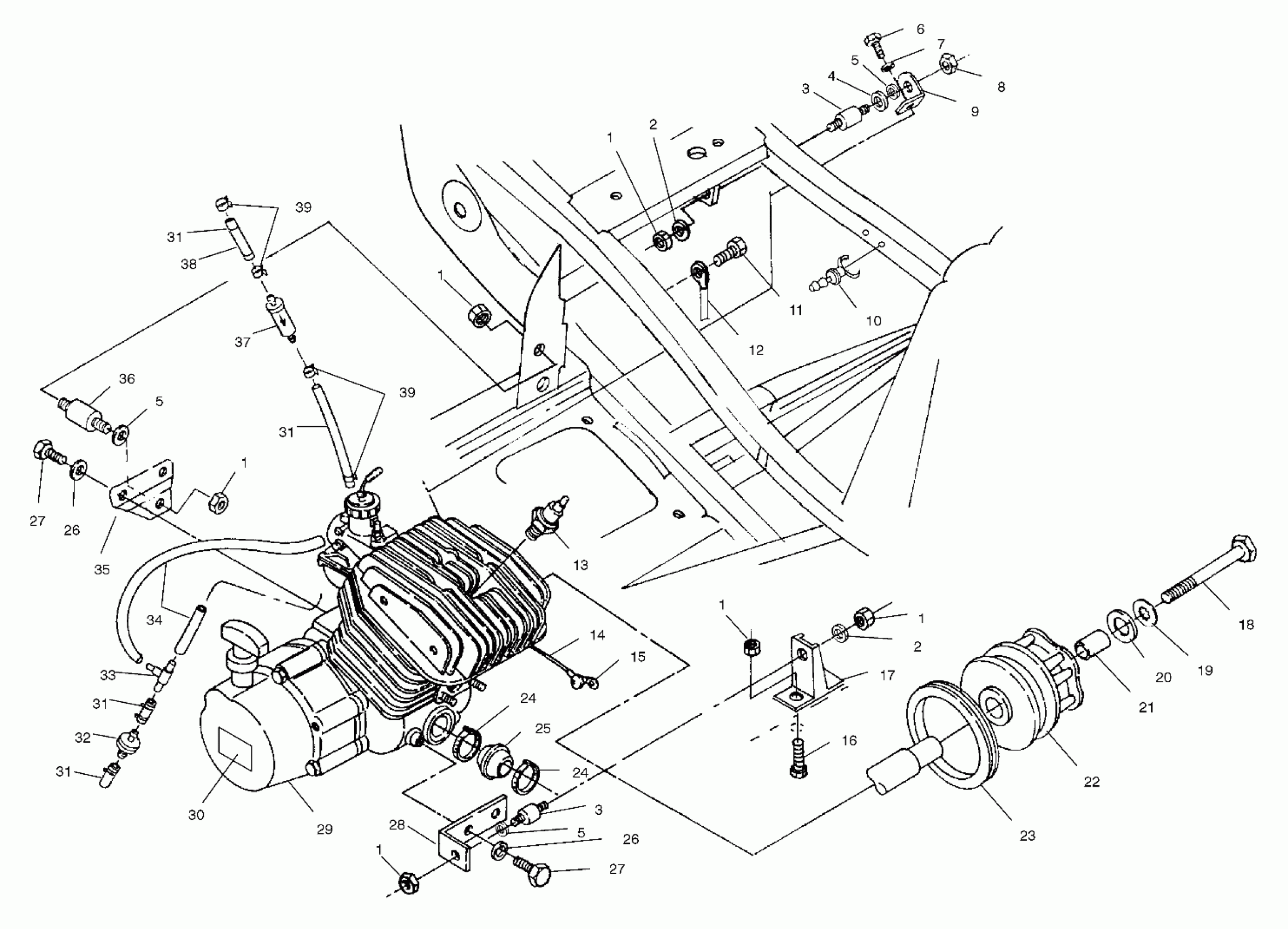
Polaris TRAIL BLAZER 250 - A99BA25CA ENGINE MOUNTING - A99BA25CA (4949574957a009) Diagram
#
Description
Price
3
MOUNT,MOTOR
3110026
Unavailable
3
MOUNT,MOTOR
3110026
Unavailable
5
WASHER(10)
7555823
Unavailable
5
WASHER(10)
7555823
Unavailable
5
WASHER(10)
7555823
Unavailable
9
BRKT-ENGINE MOUNT,TOP,250,BLK
5242898-067
Unavailable
10
FITTING,VENT,1/8"
7052192
Unavailable
12
CABLE,GND-ENGINE
4010132
Unavailable
14
CABLE,SOLENOID/STARTER
4010064
Unavailable
22
Asm., Drive Clutch, Basic ATV-08 (See Footnote) (See Drive Clutch Pg. B9, Ref. 16)
-------
Unavailable
23
Seal, Cover, Case (See Footnote) (See Clutch Cover Pg. C3, Ref. 31)
-------
Unavailable
29
ENG.(S.B.)EC25PF-SB [No Longer Available] (See Footnote) NOTE: The Short Block assembly contains a crankcase assembly, cylinder and cylinder head assembly, and a piston & crankshaft assembly. Prior
3084717
Unavailable
30
DECAL,DRAIN RECOIL Substituted by 7078577
7075741
Unavailable
31
FUEL LINE,3/16 ID(600 CM.)
8450042-600
Unavailable
31
FUEL LINE,3/16 ID(600 CM.)
8450042-600
Unavailable
31
FUEL LINE,3/16 ID(600 CM.)
8450042-600
Unavailable
31
FUEL LINE,3/16 ID(600 CM.)
8450042-600
Unavailable
32
VENT,CHECKVALVE
7051011
Unavailable
33
Fitting, Tee
7052005
Unavailable
34
FUEL LINE,1/8 ID,600 CM.
8360009-600
Unavailable
35
BRKT-ENGINE MOUNT,REAR,250,BLK
5242897-067
Unavailable
36
MOUNT, MOTOR
3110028
Unavailable
