- Partiron
- OEM Parts
- Yamaha
- snowmobile
- 2023
- TR8NTSPB (TRANSPORTER 800) 8NV5 2023
TRACK SUSPENSION 2
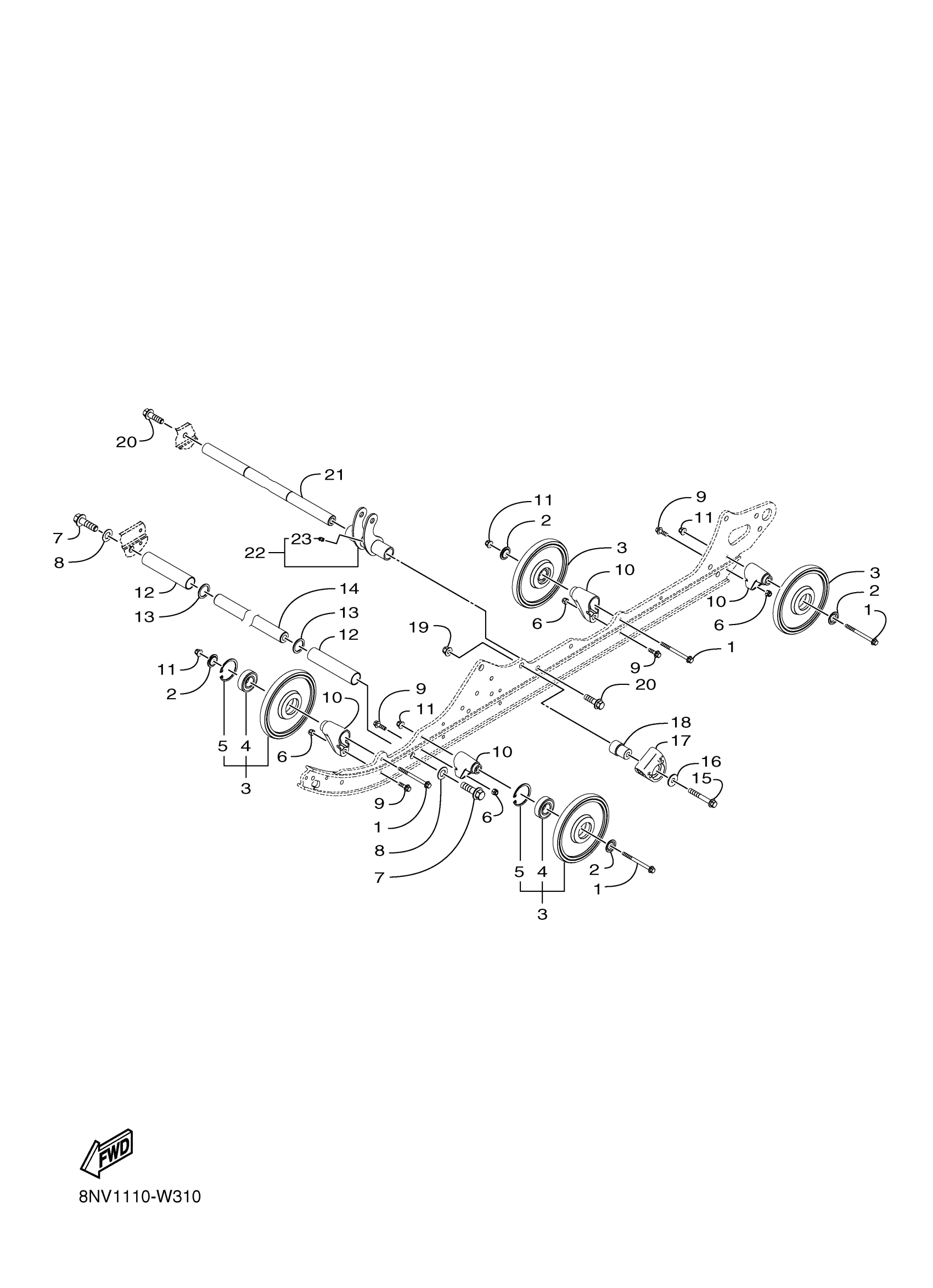
Yamaha TR8NTSPB (TRANSPORTER 800) 8NV5 2023 TRACK SUSPENSION 2 Diagram
#
Description
Price
7
BOLT, FLANGE
8ND-RA186-00-00
Unavailable
8
WASHER
8ND-RA453-00-00
Unavailable
13
WASHER, 0.890X1.19
8JP-RA437-00-00
Unavailable
15
BOLT, FLANGE M6X1.0X20
8LN-RA181-00-00
Unavailable
16
WASHER, PLAIN
8JP-RA462-00-00
Unavailable
17
HOOK 1
8JP-G7446-00-00
Unavailable
18
COLLAR
8JP-G7319-00-00
Unavailable
19
LOCK NUT
8JP-RA378-01-00
Unavailable
20
BOLT, FLG. M10X1.2
8JP-RA199-00-00
Unavailable
21
SHAFT 6
8JP-G7488-10-00
Unavailable
22
BRACKET, ARM PIVOT
8JX-G7349-10-00
Unavailable
23
NIPPLE, GREASE 1
8JP-RAL01-00-00
Unavailable
