Partiron

Yamaha TR6NTSLB (TRANSPORTER 600) 8ND2 2020 STEERING 2 Diagram

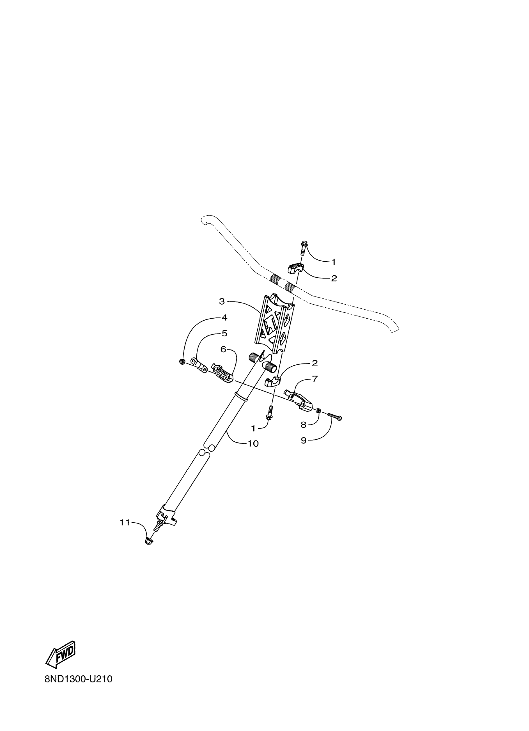
#

Description
Price

1

BOLT, FLG. M8X1.25

8JP-RA188-00-00

Unavailable

2

HOLDER, HANDLE UPP

8JP-F3814-10-00

$17.99

3

JOINT

8ND-F381B-00-00

$142.99

4

NUT,FLG. M6-1.0

8JM-RA322-00-00

$1.07

5

HOLDER, BEARING

8JP-F3872-00-00

$2.97

6

BEARING,STEERING

8KG-F3812-00-00

$4.35

7

BEARING, STEERING

8ND-F3812-00-00

$3.81

8

NUT, LOCK 1

8JP-RA379-00-00

$0.54

9

SCREW, 10

8ND-RA299-00-00

Unavailable

10

COLUMN, STEERING 2

8JP-F3813-01-00

$182.99

11

LOCK NUT

8JP-RA378-01-00

$0.96