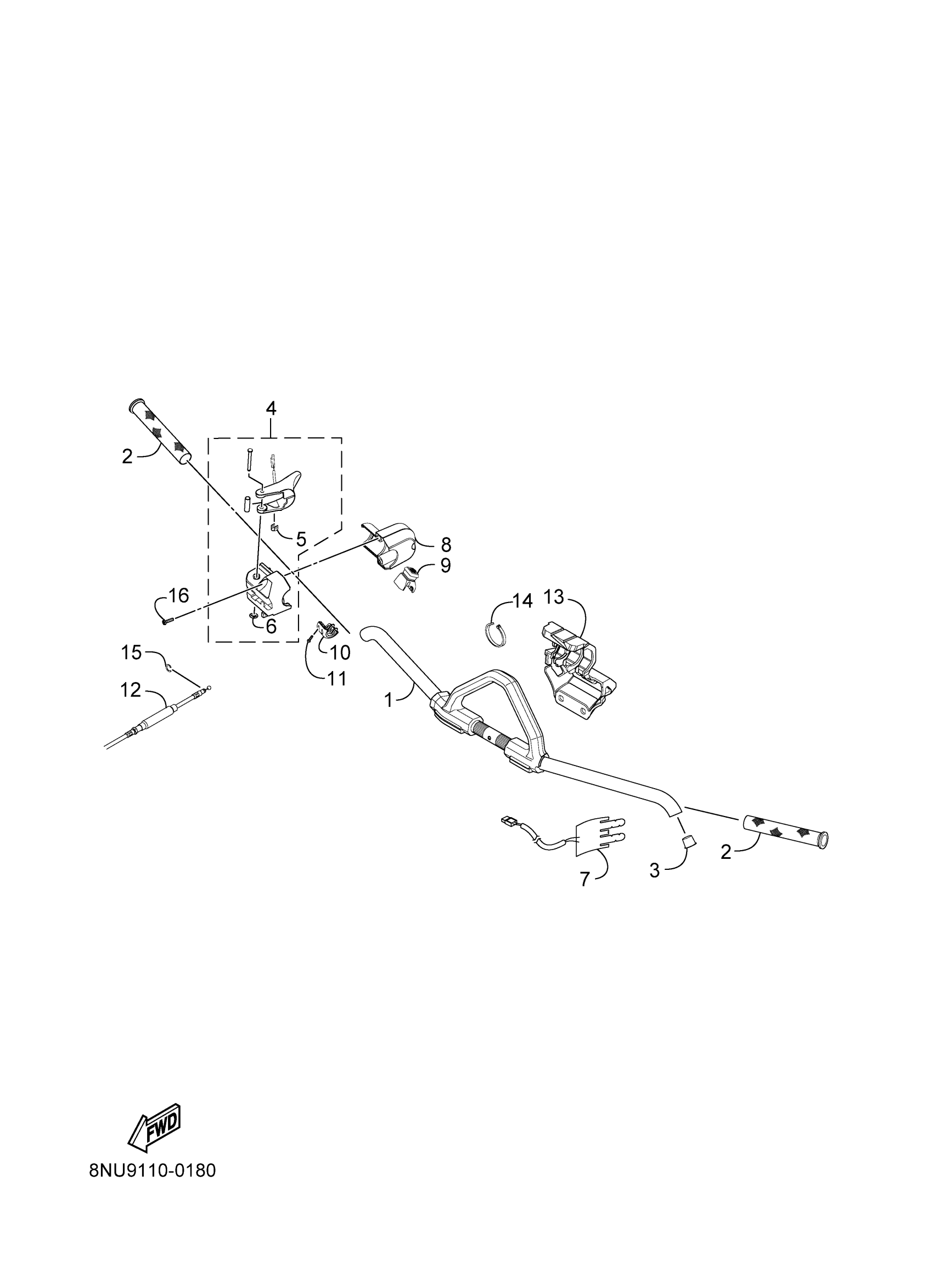
Yamaha TR4NTSR (TRANSPORTER LITE) 8NU9 2025 STEERING Diagram
#
Description
Price
1
HANDLEBAR
8JR-F6111-20-00
Unavailable
3
NUT
8JR-F3856-10-00
Unavailable
5
CLIP, 1
8JP-RAC10-10-00
Unavailable
7
GRIP,WARMER
8NT-F626A-10-00
Unavailable
12
WIRE, THROTTLE 1
8NT-F6311-00-00
Unavailable
13
PROTECTOR, HANDLEB
8MF-F6124-00-00
Unavailable
14
TIE, CABLE-8.5/7.5/7.4
8JM-RAB01-00-00
Unavailable
14
CLAMP, 1 (4-INCH)
8JP-RAB03-00-00
Unavailable
15
RING RETAINING
8JM-RAH02-00-00
Unavailable
16
SCREW, 8-18X0.875
8ML-RA286-00-00
Unavailable
