- Partiron
- OEM Parts
- Polaris
- Motorcycle
- VIC
- 2002
- TOURING CRUISER ALL OPTIONS - V02TB16
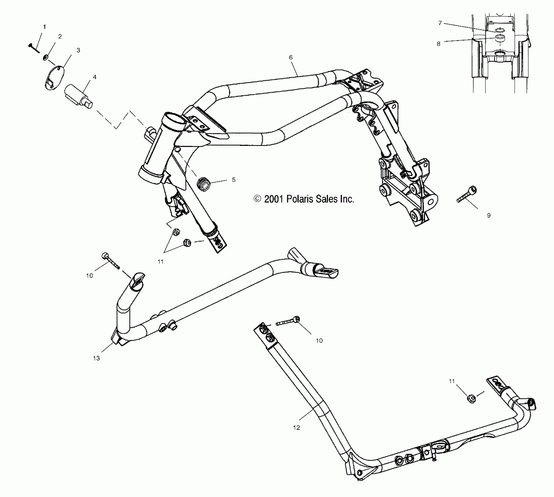
CHASSIS, MAIN FRAME - V02TB16/ALL OPTIONS (4976287628A03)
Polaris TOURING CRUISER ALL OPTIONS - V02TB16 CHASSIS, MAIN FRAME - V02TB16/ALL OPTIONS (4976287628A03) Diagram
#
Description
Price
4
Lock, Front Fork
7010085
Unavailable
6
Frame, Main
1013490-067
Unavailable
11
NUT
7547039
Unavailable
11
NUT
7547039
Unavailable
