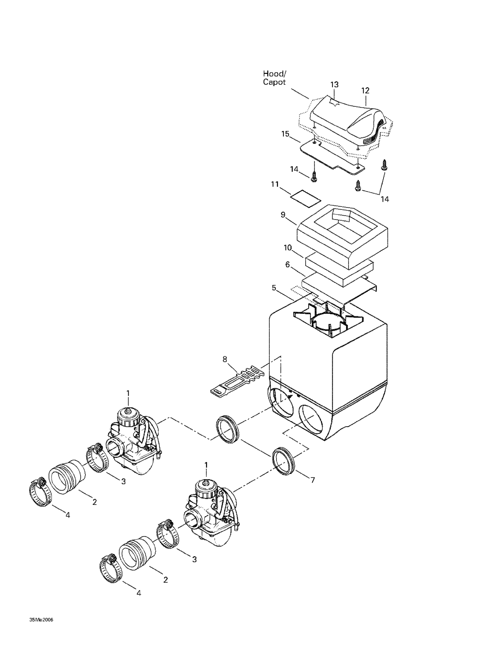
#
1
403138608
Unavailable
403138609
Unavailable
2
570048100
Unavailable
3
415038400
Unavailable
4
414532800
Unavailable
5
508000026
Unavailable
6
517283900
Unavailable
7
570048900
Unavailable
8
570069700
Unavailable
9
415105900
Unavailable
11
516002715
Unavailable
12
572077900
Unavailable
15
517298800
Unavailable
Edit ride
