- Partiron
- OEM Parts
- Suzuki
- Motorcycle
- 2003
- TL1000R (2003)
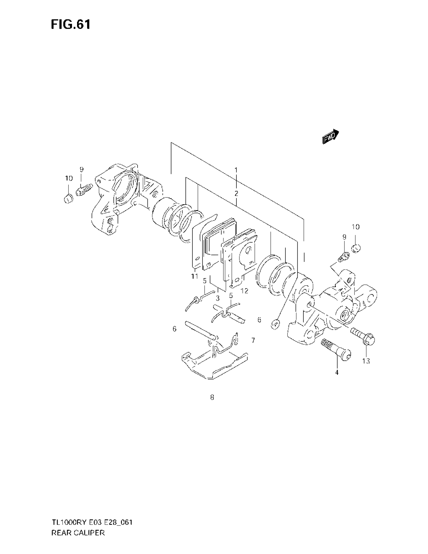
REAR CALIPER
Suzuki TL1000R (2003) REAR CALIPER Diagram
#
Description
Price
CALIPER ASSY, REAR | Includes Item(s) 1 - 12 This part replaces 69100-05CB0.
69100-05CG0-999
$307.53
