- Partiron
- OEM Parts
- Kawasaki
- side-x-side
- 2013
- TERYX4™ 750 4x4 EPS Realtree APG HD
Fuel Injection
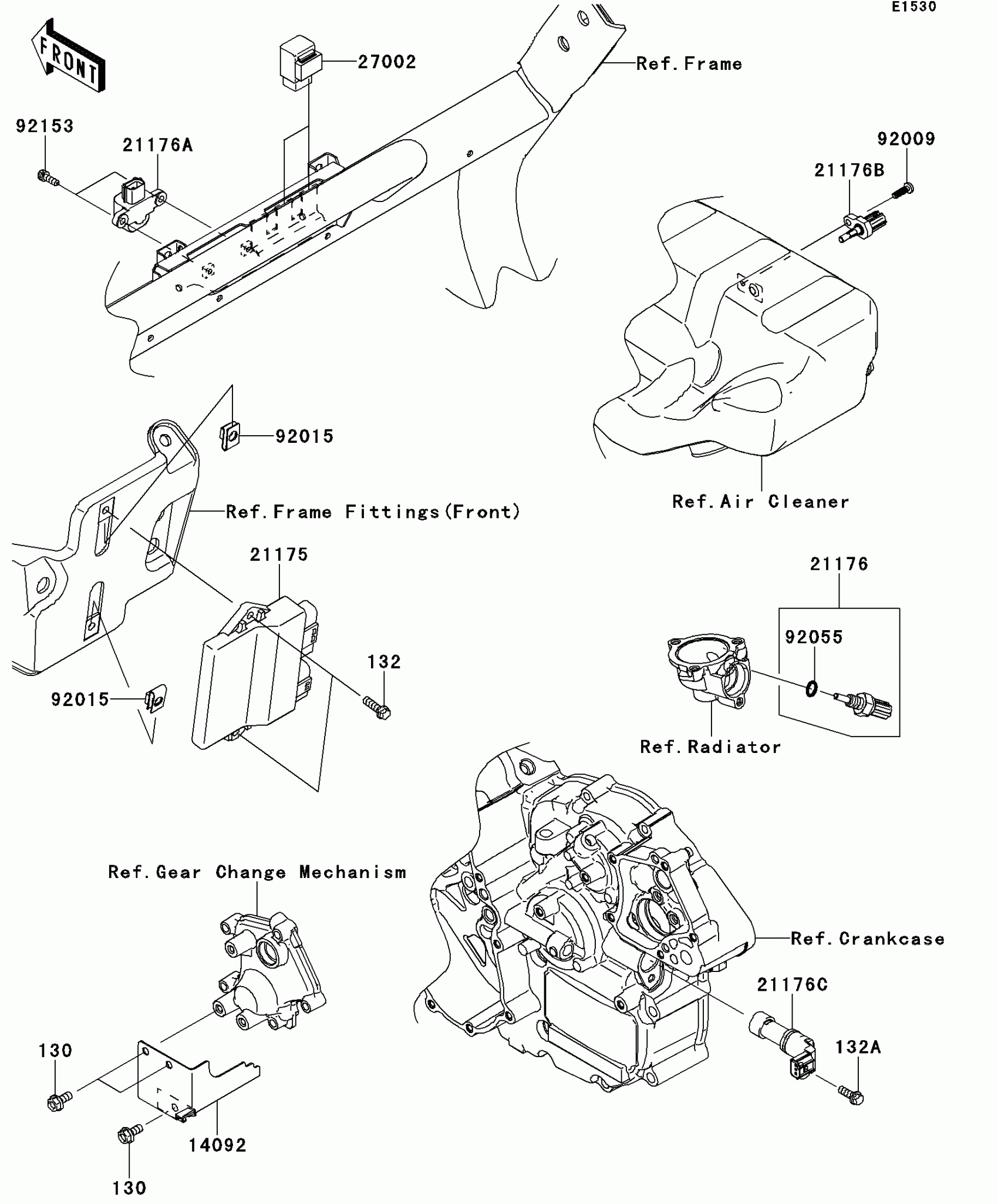
Kawasaki TERYX4™ 750 4x4 EPS Realtree APG HD Fuel Injection Diagram
#
Description
Price
Fuel Injection
#
Edit ride
