Partiron

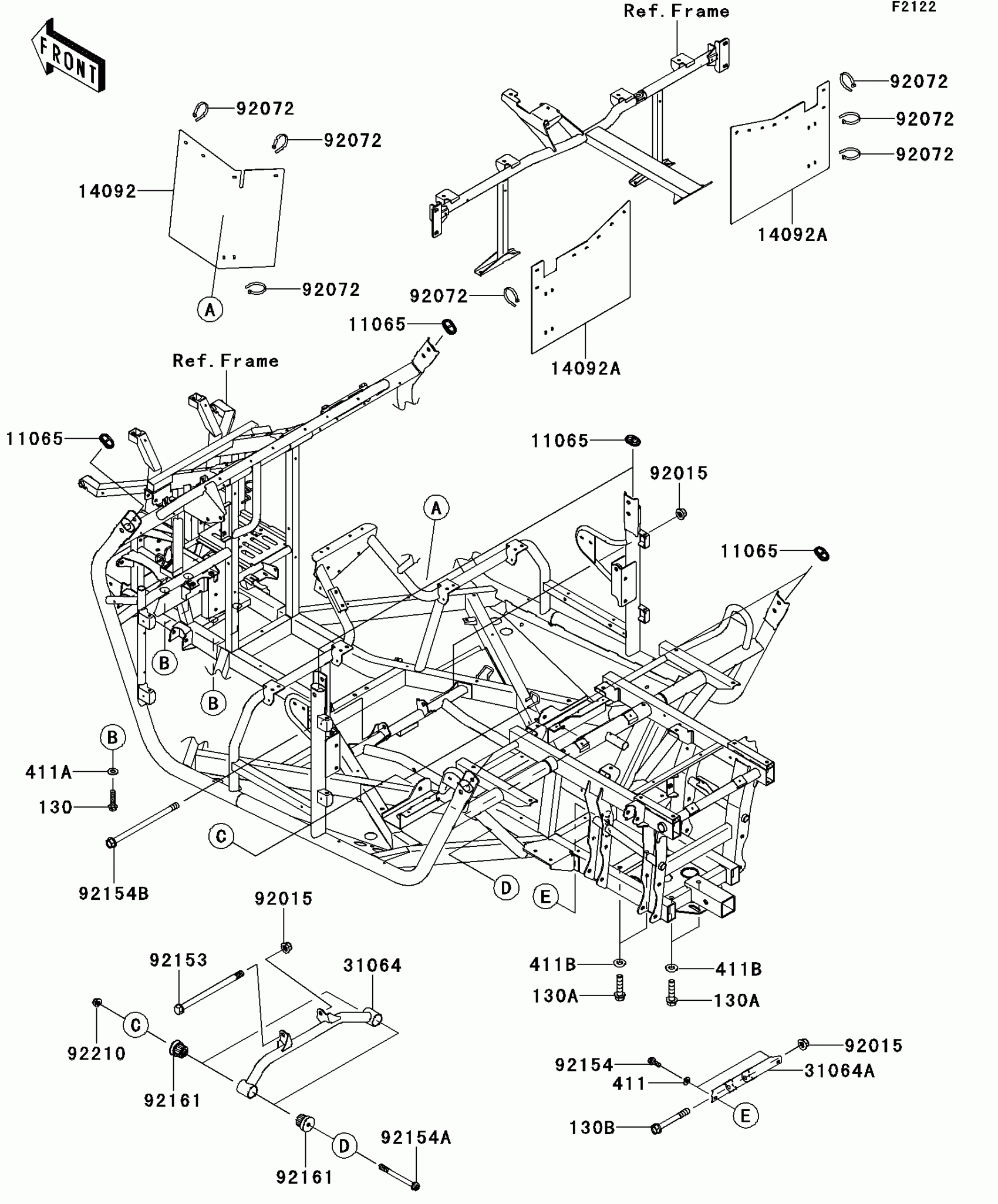
Kawasaki TERYX4™ 750 4x4 EPS Realtree APG HD Engine Mount Diagram

#

Description
Price

11065

CAP

11065-0711

$2.01

130

BOLT-FLANGED,10X40

130BA1040

$2.01

130A

BOLT-FLANGED,12X50

130BA1250

$6.75

130B

BOLT-FLANGED,12X95

130BA1295

$10.08

14092

COVER,PASSENGER

14092-0937

$11.30

14092A

COVER,RR SEAT

14092-0938

$15.58

31064

PIPE-COMP,RR FRAME

31064-0581

$92.80

31064A

PIPE-COMP

31064-0588

Unavailable

411

WASHER-PLAIN,8MM

411AA0800

$0.96

411A

WASHER-PLAIN,10MM

411AA1000

$0.96

411B

WASHER-PLAIN,12MM

411AA1200

$0.96

92015

NUT,LOCK,FLANGED,12MM

92015-1433

$8.86

92072

BAND,L=250

92072-1237

$2.14

92153

BOLT,FLANGED,12X190

92153-1272

$17.31

92154

BOLT,FLANGED,8X20

92154-0100

$2.97

92154A

BOLT,FLANGED,10X105

92154-0227

$9.83

92154B

BOLT,FLANGED,12X200

92154-0244

$28.78

92161

DAMPER

92161-0423

$13.84

92210

NUT,LOCK,FLANGED,10MM

92210-1139

$4.18