- Partiron
- OEM Parts
- Kawasaki
- side-x-side
- 2013
- Teryx4™ 750 4x4 EPS LE
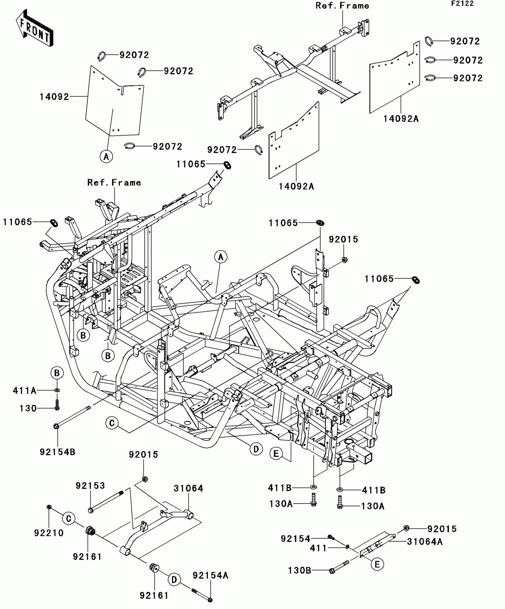
Engine Mount
Kawasaki Teryx4™ 750 4x4 EPS LE Engine Mount Diagram
#
Description
Price
31064A
PIPE-COMP
31064-0588
Unavailable
