Partiron

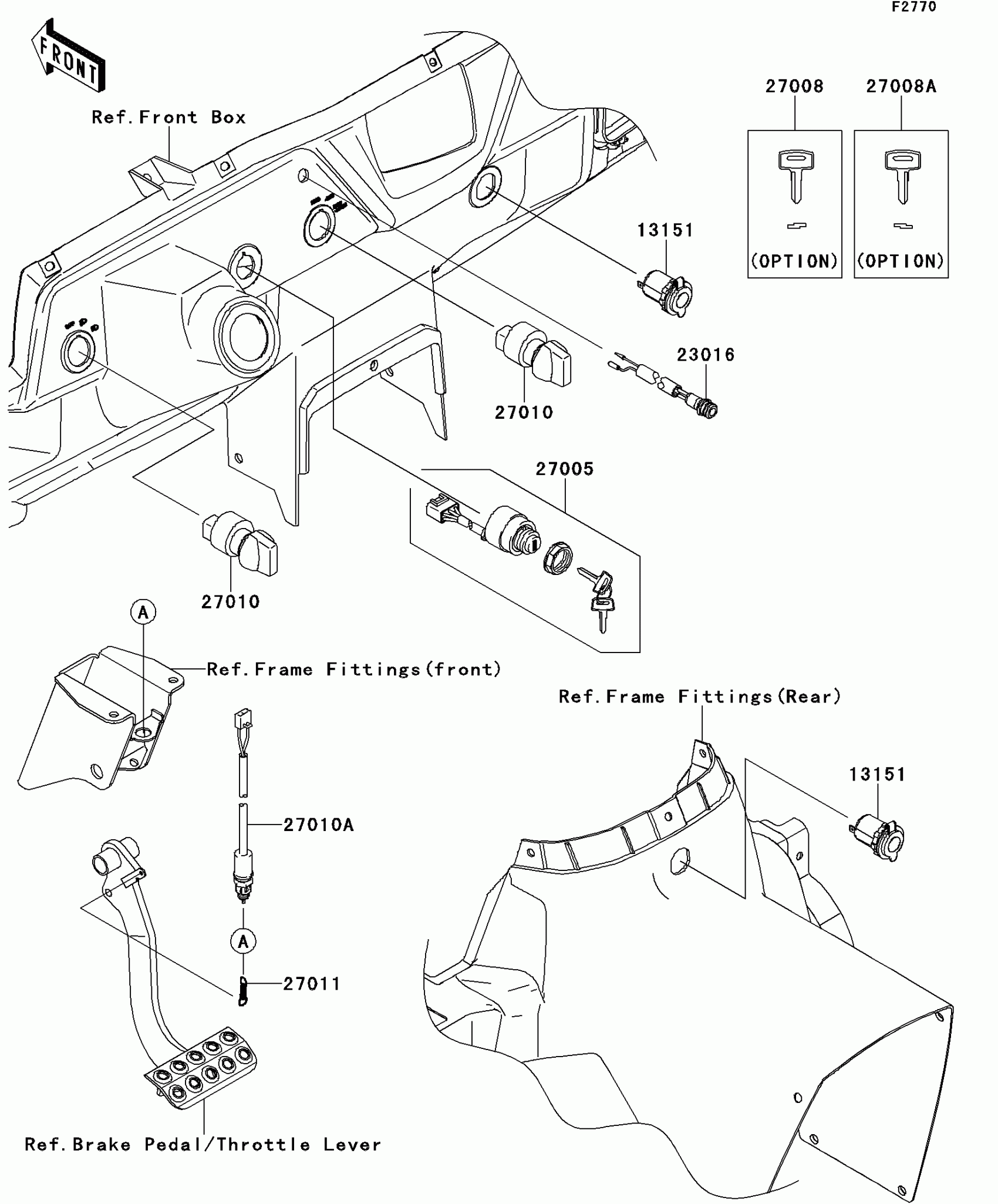
Kawasaki TERYX4™ 750 4x4 EPS Ignition Switch Diagram

#

Description
Price

13151

SWITCH-COMP,OUTLET,12V

13151-0556

$12.14

23016

LAMP-ASSY,LED

23016-0046

Unavailable

27005

SWITCH-ASSY-IGNITION

27005-0036

$95.55

27008

KEY-LOCK,BLANK

27008-1153

$17.98

27008A

KEY-LOCK,BLANK

27008-1157

$17.98

27010

SWITCH

27010-0706

$49.64

27010A

SWITCH,BRAKE

27010-0724

$33.80

27011

SPRING,BRAKE LAMP SWITCH

27011-006

$5.46