Partiron

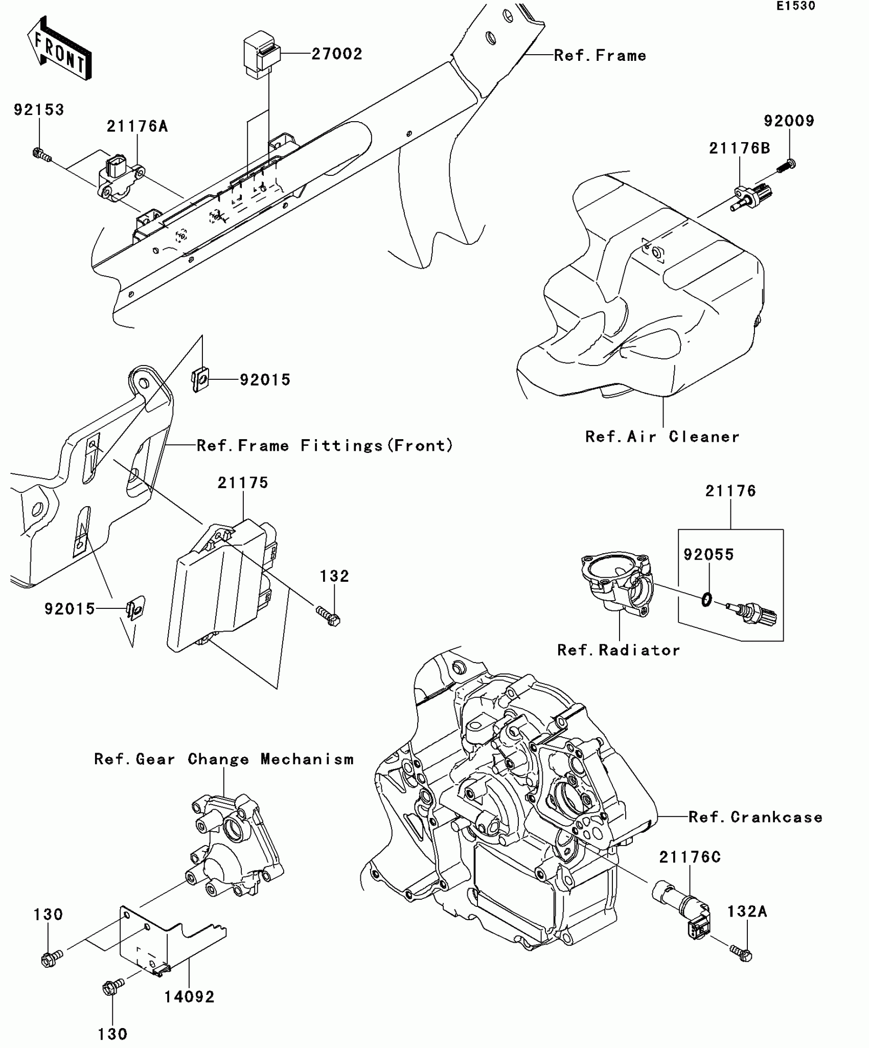
Kawasaki TERYX4™ 750 4x4 EPS Fuel Injection Diagram

#

Description
Price

130

BOLT-FLANGED,6X14

130BD0614

$0.88

132

BOLT-FLANGED-SMALL,6X20

132BA0620

$2.49

132A

BOLT-FLANGED-SMALL,6X16

132BD0616

$4.12

14092

COVER

14092-0885

$15.08

21175

CONTROL UNIT-ELECTRONIC

21175-0761

$908.25

21176

SENSOR,WATER TEMP

21176-0009

$69.24

21176A

SENSOR,VEHICLE-DOWN

21176-0026

$86.97

21176B

SENSOR,AIR TEMPERATURE

21176-0048

$26.91

21176C

SENSOR,SPEED

21176-0712

$92.95

27002

RELAY-ASSY

27002-1062

$45.39

92009

SCREW,TAPPING,5X16

92009-1984

$2.58

92015

NUT,6MM

92015-1602

$7.34

92055

RING-O,9.5X1.9

92055-0016

$8.89

92153

BOLT,SOCKET,5X14

92153-1286

$1.34