Partiron

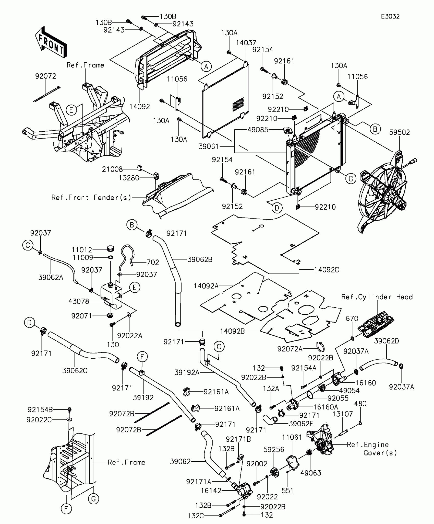
Kawasaki TERYX® LE Radiator Diagram

#

Description
Price

11009

GASKET,RESERVOIR TANK CAP

11009-1145

$1.42

11012

CAP

11012-1084

$1.72

11056

BRACKET

11056-0722

$10.54

11061

GASKET,WATER PUMP COVER

11061-0731

$9.09

13107

SHAFT,WATER PUMP

13107-0719

$21.58

13280

HOLDER,BREAKER

13280-0082

$5.60

14037

SCREEN

14037-0739

$135.90

14092

COVER,RADIATOR,F.BLACK

14092-0086-6Z

$31.72

14092A

COVER,HEAT GUARD,FR

14092-1060

$24.78

14092B

COVER,HEAT GUARD,RR

14092-1061

$24.52

14092C

COVER,CHAMBER

14092-1142

$51.32

16142

COVER-PUMP,WATER

16142-0705

$63.96

16160

BODY,THERMOSTAT,LWR

16160-0734

$80.02

16160A

BODY,THERMOSTAT,UPP

16160-0735

$67.23

21008

BREAKER,RAD. FAN,20A

21008-0554

$28.27

39061

RADIATOR-ASSY

39061-0568

$479.59

39062

HOSE-COOLING,WATER PUMP IN

39062-0580

$36.62

39062A

HOSE-COOLING,RESERVOIR-RAD.

39062-0582

$6.69

39062B

HOSE-COOLING,RADIATOR IN

39062-0619

$63.64

39062C

HOSE-COOLING,RADIATOR OUT

39062-0620

$42.62

39062D

HOSE-COOLING,RR HEAD-THERMO.

39062-0621

$14.26

39062E

HOSE-COOLING,THERMO OUT

39062-0669

$15.82

39192

PIPE-WATER,LH

39192-0569

$32.37

39192A

PIPE-WATER,RH

39192-0571

$40.60

43078

RESERVOIR

43078-0070

$39.23

49054

THERMOSTAT

49054-1055

$54.56

49063

SEAL-MECHANICAL

49063-1055

$20.06

49085

CAP-ASSY-PRESSURE

49085-0005

$45.60

59256

IMPELLER

59256-0555

$42.34

59502

FAN-ASSY

59502-0566

Unavailable

92002

BOLT,6X22

92002-1154

$4.69

92022

WASHER OIL PUMP BANJO

92022-077

$3.99

92022A

WASHER,PLAIN,6.5X20X1

92022-165

$3.74

92022B

WASHER,6.2X11X1

92022-304

$3.65

92022C

WASHER,6.2X20X2

92022-3714

$4.18

92037

CLAMP,TUBE

92037-1461

$3.88

92037A

CLAMP,COOLING HOSE

92037-1589

$18.57

92055

RING-O,44.7X2.4

92055-1279

$7.34

92071

GROMMET

92071-1115

$5.46

92072

BAND,L=218

92072-032

$5.00

92072A

BAND,L=250

92072-1237

$2.14

92072B

BAND,L=368.3

92072-3872

$1.59

92143

COLLAR

92143-1087

$4.31

92152

COLLAR

92152-1512

$8.56

92154

BOLT,FLANGED,6X25

92154-0498

$1.94

92154A

BOLT,SOCKET,6X25

92154-1142

$1.63

92154B

BOLT,FLANGED,6X12

92154-1195

$1.48

92161

DAMPER

92161-1349

$4.68

92161A

DAMPER,PIPE WATER

92161-1513

$3.51

92171

CLAMP,COOLING HOSE

92171-0060

$4.41

92171A

CLAMP

92171-0179

$8.20

92171B

CLAMP

92171-0926

$8.68

92210

NUT,CLIP,6MM

92210-0867

$2.75

130

BOLT-FLANGED,6X16

130BA0616

$1.20

130A

BOLT-FLANGED,6X10

130BB0610

$2.49

130B

BOLT-FLANGED,6X14

130BB0614

$2.49

132

BOLT-FLANGED-SMALL,6X12

132BA0612

$1.20

132A

BOLT-FLANGED-SMALL,6X20

132BA0620

$2.49

132B

BOLT-FLANGED-SMALL,6X40

132BA0640

$4.45

132C

BOLT-FLANGED-SMALL,6X80

132BA0680

$4.45

480

CIRCLIP-TYPE-C,12MM

480J1200

$0.62

551

PIN-DOWEL,4X8

551A0408

$0.78

670

O RING,20MM

670B2020

$1.22

702

TUBE-RUBBER,5X8X380

702A05380

$7.25