- Partiron
- OEM Parts
- Kawasaki
- side-x-side
- 2024
- TERYX KRX® 1000 SE
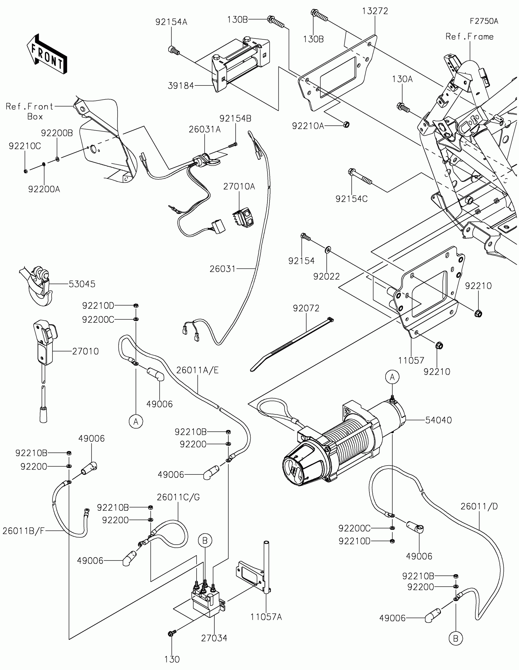
Other(Winch)
Kawasaki TERYX KRX® 1000 SE Other(Winch) Diagram
#
Description
Price
92072
BAND,L=292.1
92072-3509
Unavailable
Other(Winch)
#
92072
92072-3509
Unavailable
Edit ride
