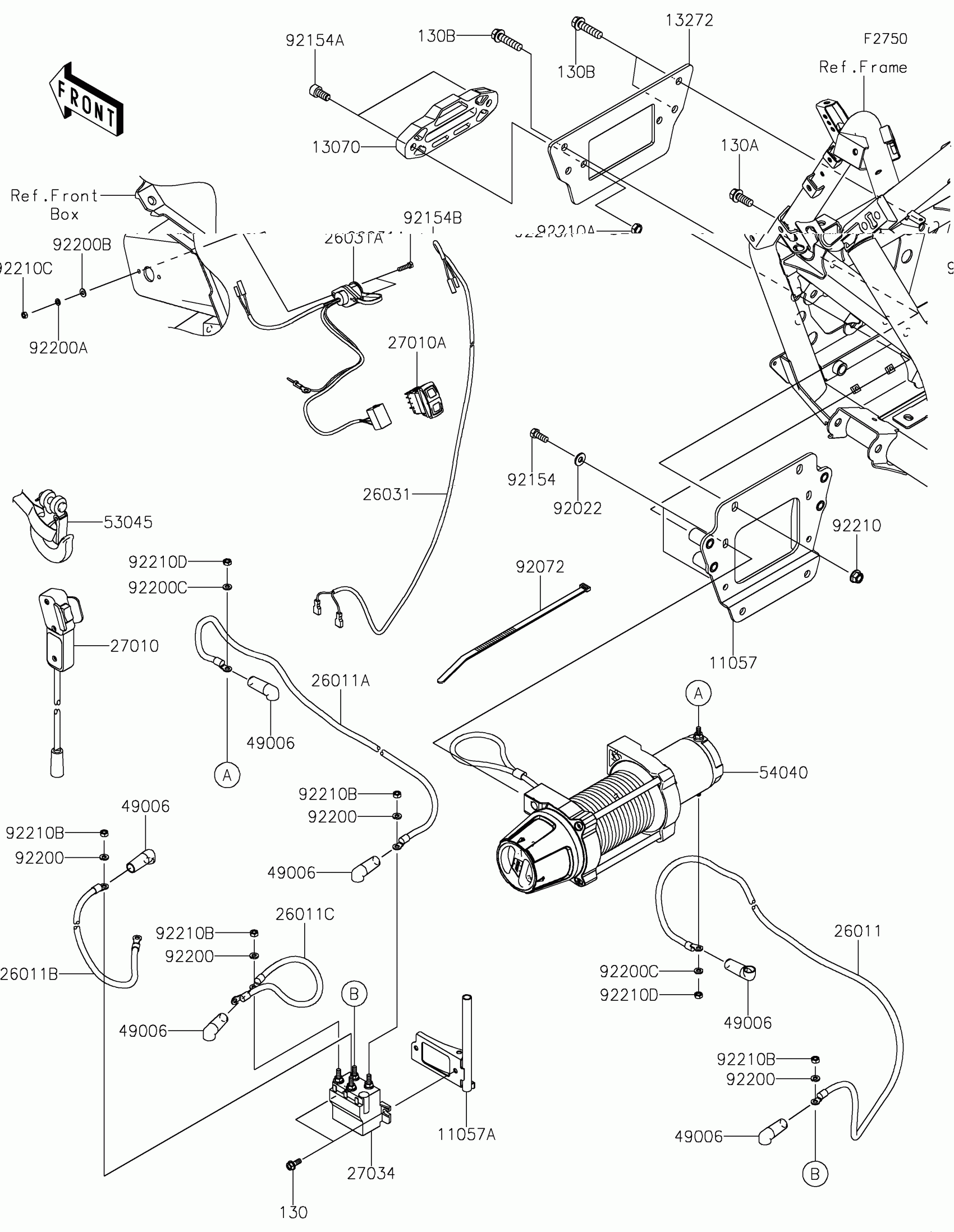
Partiron

Kawasaki TERYX KRX® 1000 LIFTED EDITION Other Diagram

#

Description
Price

11057

BRACKET,WINCH

11057-3707

$116.02

11057A

BRACKET,WINCH RELAY

11057-3729

$45.22

13070

GUIDE,FAIRLEAD

13070-1447

$144.18

13272

PLATE,FAIRLEAD

13272-2847

$7.64

26011

WIRE-LEAD,BLUE

26011-2451

$49.07

26011A

WIRE-LEAD,YELLOW

26011-2452

$47.98

26011B

WIRE-LEAD,RED

26011-2453

$30.54

26011C

WIRE-LEAD,BLACK

26011-2454

$28.09

26031

HARNESS,REMOTE

26031-2842

$31.37

26031A

HARNESS,CONTACTOR

26031-2843

$50.30

27010

SWITCH,REMOTE

27010-0820

$127.23

27010A

SWITCH,ON/OFF

27010-0942

$50.81

27034

RELAY,CONTROLLER

27034-0018

$194.41

49006

BOOT

49006-0601

$2.64

53045

HOOK-ASSY

53045-0028

$24.79

54040

WINCH,VRX45-S

54040-0010

$699.97

92022

WASHER,8.2X19X2

92022-1533

$5.52

92072

BAND,L=292.1

92072-3509

Unavailable

92154

BOLT,8X20

92154-1876

$2.66

92154A

BOLT,SOCKET,10X20

92154-1877

$3.54

92154B

BOLT,5X20

92154-1879

$2.90

92200

WASHER,6 LOCK

92200-1776

$0.99

92200A

WASHER,5 LOCK

92200-1777

$0.99

92200B

WASHER

92200-1778

$0.90

92200C

WASHER,6.4X12X1.8

92200-2358

$0.49

92210

NUT,LOCK,FLANGED,10MM

92210-1080

$10.28

92210A

NUT,LOCK,M10

92210-1432

$1.52

92210B

NUT,M6X1.00

92210-1434

$2.28

92210C

NUT,M5X0.80

92210-1435

$1.13

92210D

NUT,6MM

92210-1792

$2.97

130

BOLT-FLANGED,6X12

130BA0612

$1.72

130A

BOLT-FLANGED

130CA1025

$1.83

130B

BOLT-FLANGED,10X40

130CA1040

$2.83