Partiron

Kawasaki TERYX KRX® 1000 LIFTED EDITION Cables Diagram

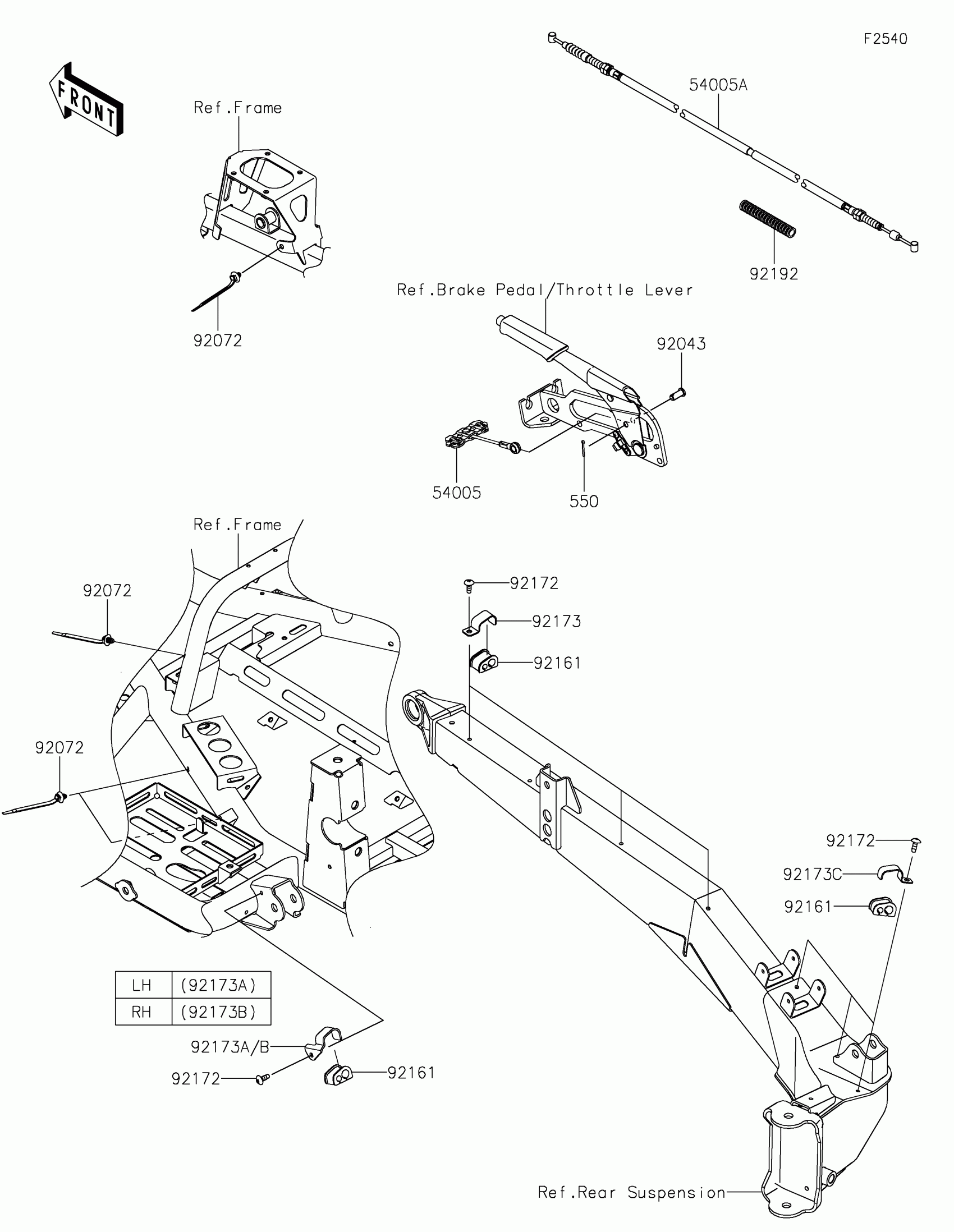
#

Description
Price

54005

CABLE-BRAKE,PARKING BRAKE

54005-0312

$22.51

54005A

CABLE-BRAKE,PARKING BRAKE

54005-0323

$23.23

92043

PIN

92043-1039

$9.91

92072

BAND,OS170-FT7(BLACK)

92072-1414

$3.74

92161

DAMPER

92161-2174

$3.54

92172

SCREW,TAPPING,6X16

92172-0739

$0.85

92173

CLAMP

92173-1991

$0.31

92173A

CLAMP,LH

92173-1992

$3.90

92173B

CLAMP,RH

92173-1993

$3.90

92173C

CLAMP

92173-2097

$1.17

92192

TUBE,CORRUGATED,L=100

92192-3809

$2.64

550

PIN-COTTER,2.5X18

550AA2518

$0.59