Partiron

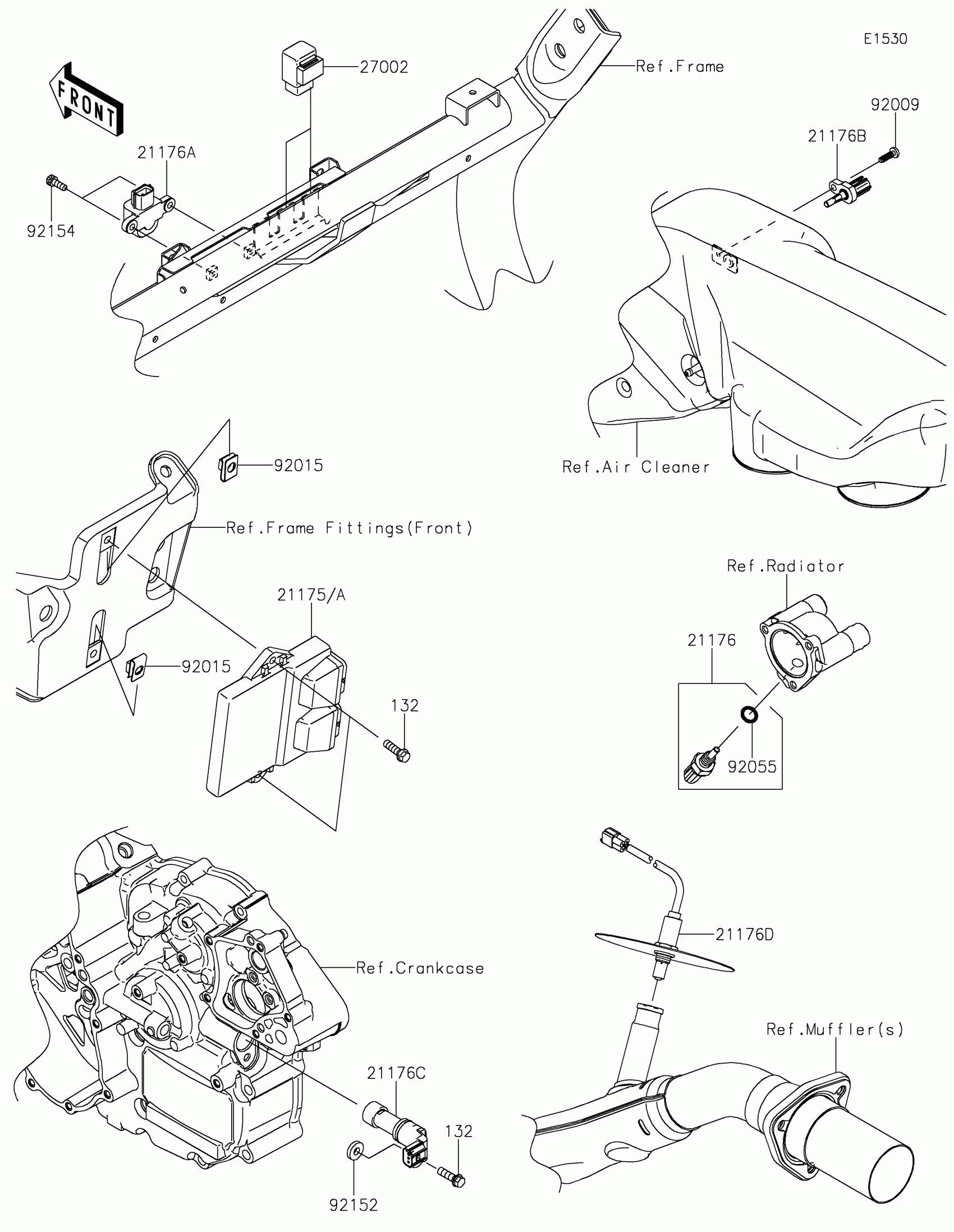
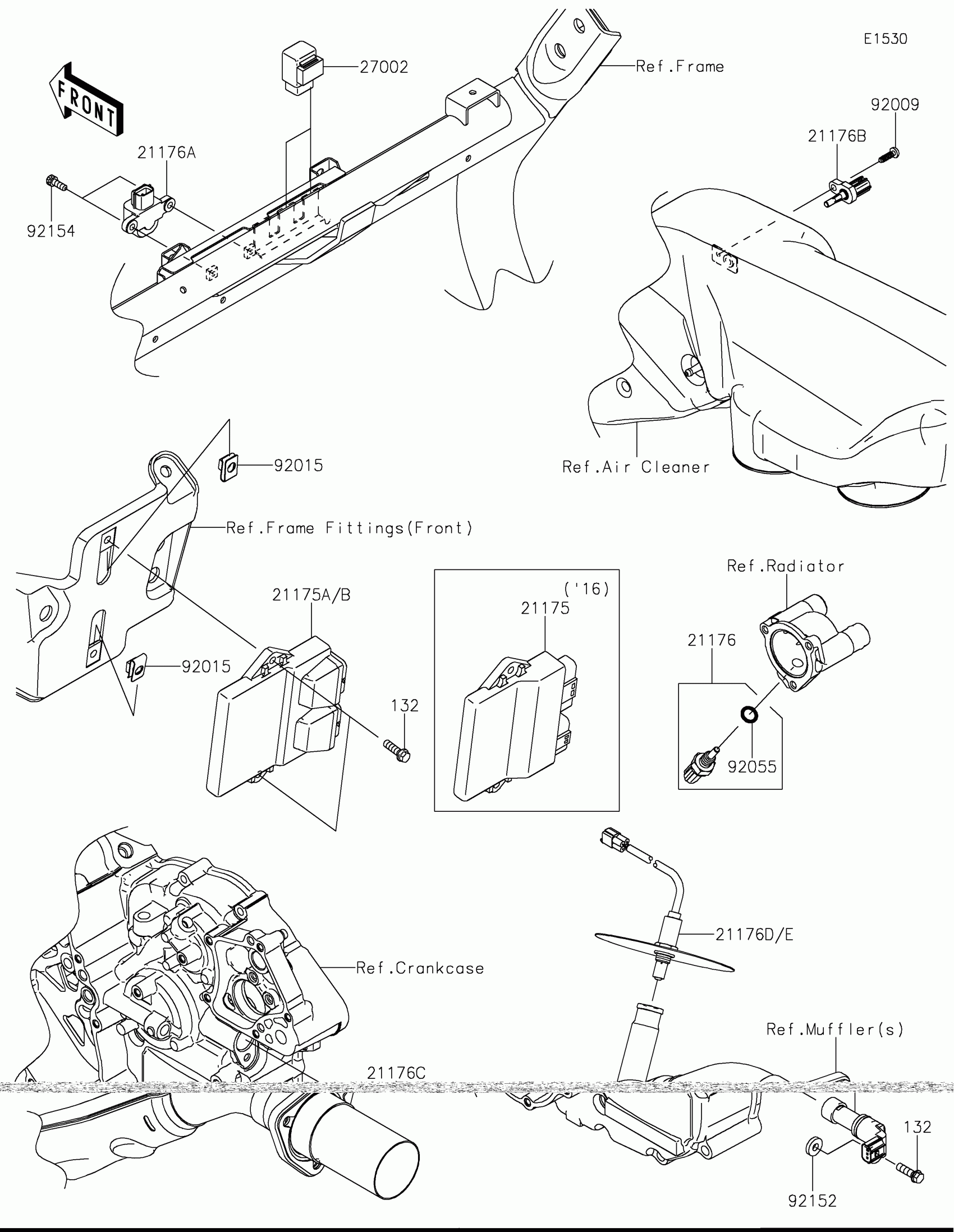
Kawasaki TERYX® CAMO Fuel Injection Diagram

#

Description
Price

21176

SENSOR,WATER TEMP

21176-0009

$69.24

21176A

SENSOR,VEHICLE-DOWN

21176-0026

$86.97

21176B

SENSOR,AIR TEMPERATURE

21176-0048

$26.91

21176C

SENSOR,SPEED

21176-0712

$92.95

21176E

SENSOR,OXYGEN

21176-0823

$232.80

27002

RELAY-ASSY

27002-1062

$45.39

92009

SCREW,TAPPING,5X16

92009-1984

$2.58

92015

NUT,6MM

92015-1602

$7.34

92055

RING-O,9.5X1.9

92055-0016

$8.89

92152

COLLAR,6.5X16X3.2

92152-1975

$5.69

92154

BOLT,SOCKET,5X14

92154-1841

$1.34

132

BOLT-FLANGED-SMALL,6X20

132BA0620

$2.49