- Partiron
- OEM Parts
- Kawasaki
- side-x-side
- 2009
- Teryx® 750 FI 4x4 NRA Outdoors
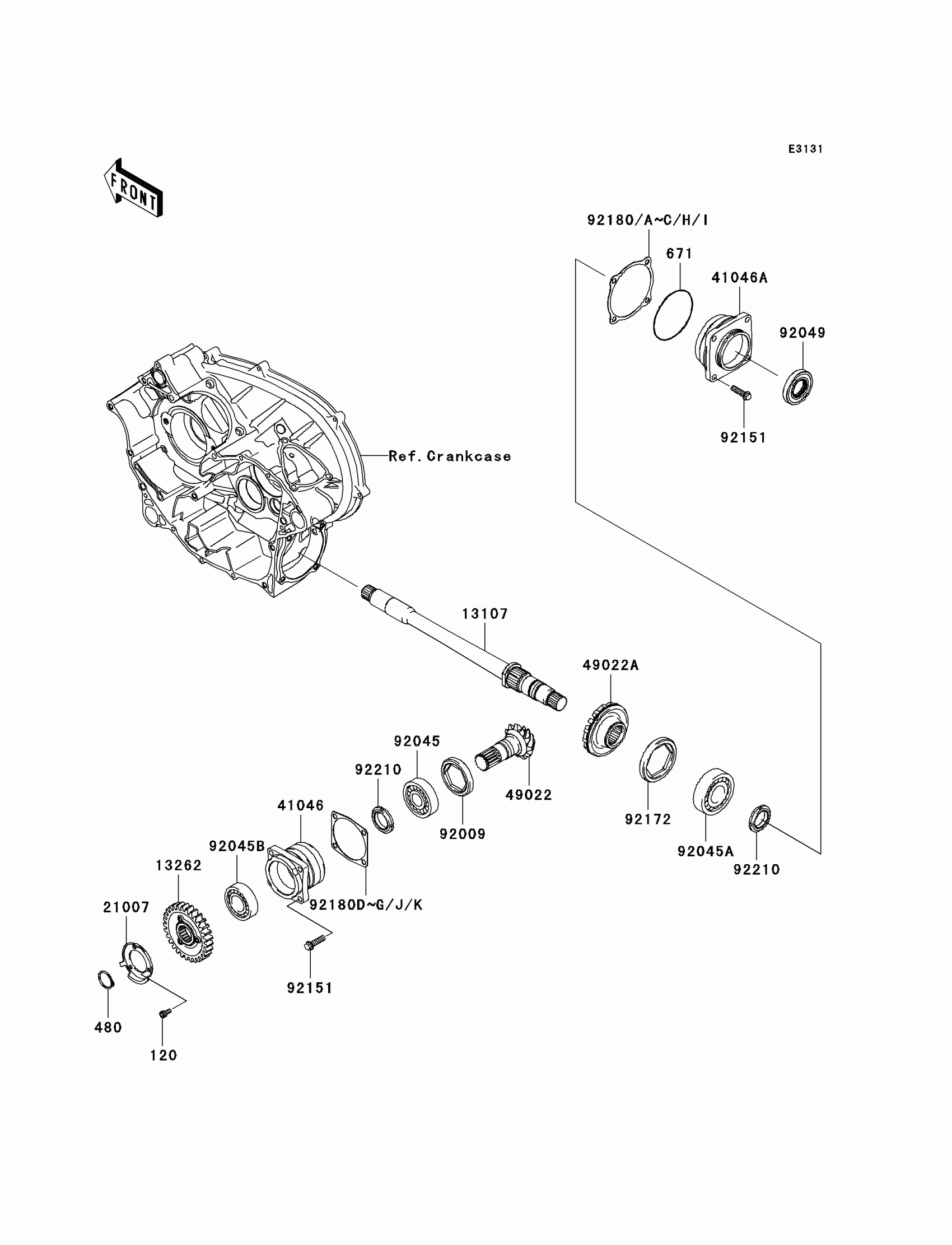
Front Bevel Gear
Kawasaki Teryx® 750 FI 4x4 NRA Outdoors Front Bevel Gear Diagram
#
Description
Price
41046A
HOUSING-BEARING
41046-1102
Unavailable
92045
BEARING-BALL
92045-0131
Unavailable
92180
SHIM,DRIVEN,T=0.15
92180-1307
Unavailable
92180A
SHIM,DRIVEN,T=0.20
92180-1308
Unavailable
92180B
SHIM,DRIVEN,T=0.50
92180-1309
Unavailable
92180C
SHIM,DRIVEN,T=0.80
92180-1310
Unavailable
92180D
SHIM,DRIVE,T=0.15
92180-1311
Unavailable
92180E
SHIM,DRIVE,T=0.20
92180-1312
Unavailable
92180F
SHIM,DRIVE,T=0.50
92180-1313
Unavailable
92180G
SHIM,DRIVE,T=0.80
92180-1314
Unavailable
92180H
SHIM,DRIVEN,T=1.00
92180-1349
Unavailable
92180I
SHIM,DRIVEN,T=1.20
92180-1350
Unavailable
92180J
SHIM,DRIVE,T=1.00
92180-1351
Unavailable
92180K
SHIM,DRIVE,T=1.20
92180-1352
Unavailable
