Partiron

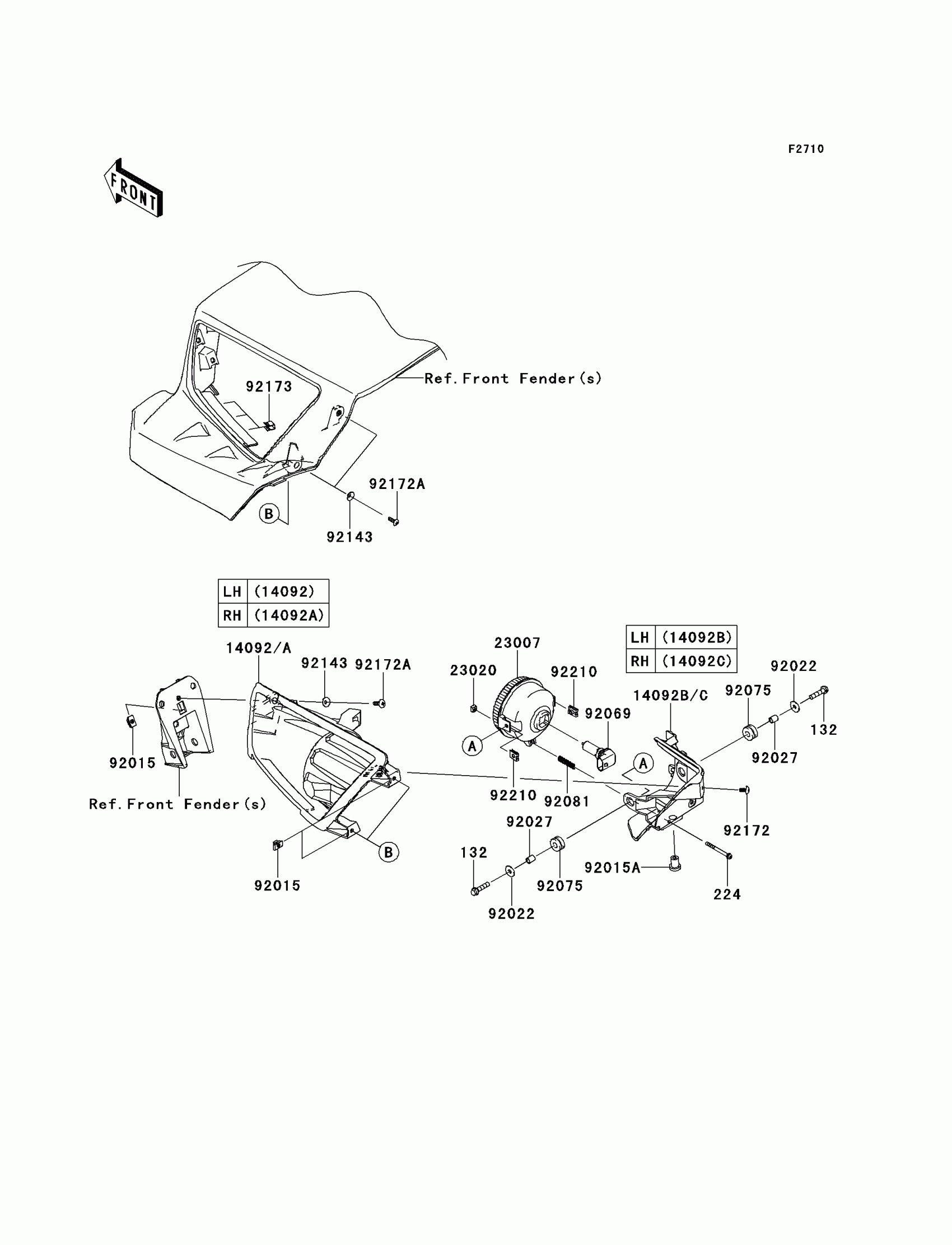
Kawasaki Teryx® 750 FI 4x4 LE Headlight(s) Diagram

#

Description
Price

132

BOLT-FLANGED-SMALL,6X25

132BA0625

$2.80

224

SCREW-PAN-WP-CROS,4X45

224AA0445

$1.81

23005

BODY-COMP-HEAD LAMP,LH

23005-1180

$61.25

23005A

BODY-COMP-HEAD LAMP,RH

23005-1181

$61.25

23007

LENS-COMP,HEAD LAMP,LH

23007-0113

$51.26

23007A

LENS-COMP,HEAD LAMP,RH

23007-0114

$48.93

23017

SOCKET,HEAD LAMP

23017-0005

$26.39

23020

NUT,4MM,FOCUS ADJUST

23020-018

$4.65

55022

COVER-HEAD LAMP,LH

55022-0035

$23.81

55022A

COVER-HEAD LAMP,RH

55022-0036

$23.81

92009

SCREW,5X16,BLACK

92009-1654

$3.13

92015

NUT,6MM

92015-1094

$8.58

92015A

NUT,WELL,5MM

92015-1757

$7.29

92022

WASHER,6.5X20X1.6

92022-125

$1.40

92027

COLLAR,6.8X10X12

92027-162

$6.57

92069

BULB,12V 35/35W

92069-0026

$15.75

92071

GROMMET

92071-1128

$5.43

92075

DAMPER,10X24X12

92075-1690

$5.00

92081

SPRING,FOCUS ADJUST

92081-1896

$5.25

92154

BOLT,FLANGED,5X45

92154-0095

$4.71

92210

NUT,5MM

92210-0499

$7.95