Partiron

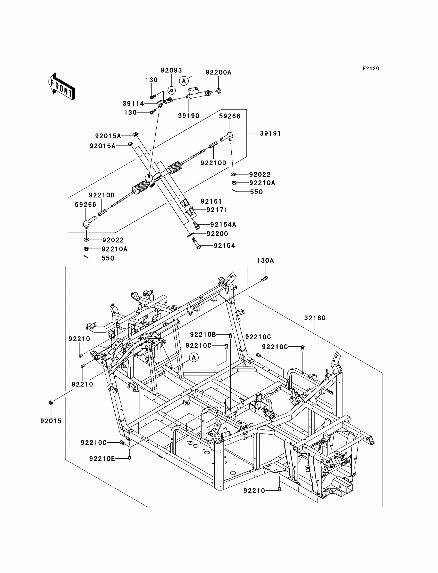
Kawasaki Teryx® 750 FI 4x4 Frame Diagram

#

Description
Price

130

BOLT-FLANGED,8X25

130BB0825

$4.45

130A

BOLT-FLANGED,10X25

130BB1025

$5.25

550

PIN-COTTER,3.0X25

550AA3025

$1.49

39114

SHAFT-COMP-STRG

39114-0011

$334.80

39190

SHAFT-ASSY-STEERING

39190-0004

$242.95

39191

GEAR-ASSY-STEERING

39191-0011

Unavailable

59266

JOINT-BALL

59266-0038

$59.96

92015

NUT,LOCK,10MM,BLACK

92015-1189

$7.34

92015A

NUT,LOCK,FLANGED,12MM

92015-1433

$8.86

92022

WASHER

92022-1831

$5.52

92093

SEAL,STEERING SHAFT

92093-0070

$3.32

92154

BOLT,FLANGED,12X60

92154-0072

$7.95

92154A

BOLT,FLANGED,12X27

92154-0073

$9.53

92161

DAMPER,STEERING GEAR

92161-0506

$9.58

92171

CLAMP,STEERING GEAR

92171-1866

$10.85

92200

WASHER,12.3X38X2.0

92200-0379

$4.86

92200A

WASHER,15X25X1.6

92200-0460

$3.71

92210

NUT,POP,6MM,L=16.5

92210-0324

$5.33

92210A

NUT,CASTLE,12MM

92210-0395

$3.86

92210B

NUT,POP,10MM

92210-0507

$4.71

92210C

NUT,FLANGED,8MM

92210-0527

$4.49

92210D

NUT,14MM

92210-0588

$30.16

92210E

NUT,POP,6MM,L=15

92210-1397

$5.48