- Partiron
- OEM Parts
- Yamaha
- motorcycle
- 1993
- TDM850EC (TDM850 CA) 1993
STARTER CLUTCH
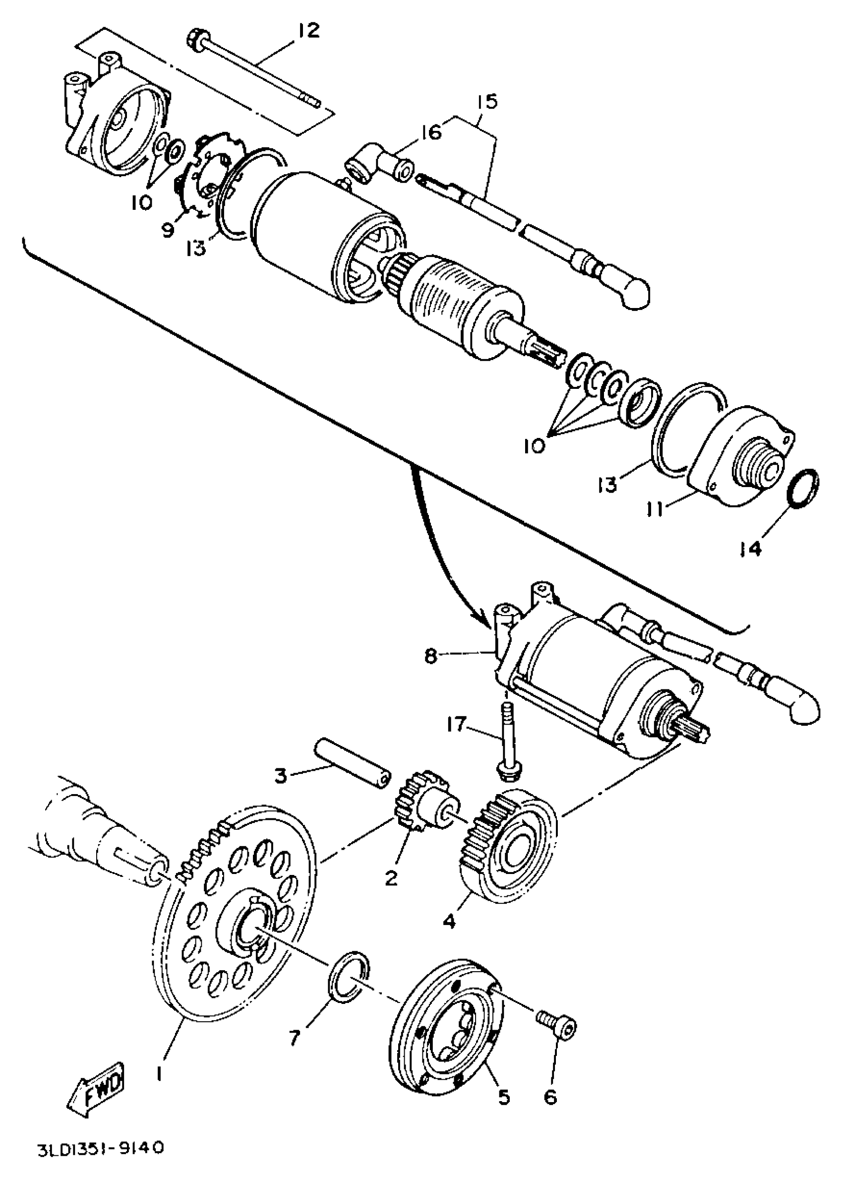
Yamaha TDM850EC (TDM850 CA) 1993 STARTER CLUTCH Diagram
#
Description
Price
1
GEAR 3
4NX-15515-00-00
Unavailable
2
GEAR, IDLER 2
3LD-15517-00-00
Unavailable
3
SHAFT 1
26H-15521-00-00
Unavailable
4
GEAR, IDLER 1
3LD-15512-00-00
Unavailable
5
STARTER ONE-WAY ASSY
3LD-15590-02-00
Unavailable
8
STARTING MOTOR ASSY
3LD-81800-00-00
Unavailable
10
WASHER KIT
3AJ-81809-00-00
Unavailable
11
FRONT BRACKET ASSY
3AJ-81830-00-00
Unavailable
13
GASKET
35C-81844-00-00
Unavailable
15
CORD, STARTER MOTOR
3LD-81815-00-00
Unavailable
16
.. CAP
5H0-81871-00-00
Unavailable
17
BOLT, FLANGE
95817-06050-00
Unavailable
