Partiron

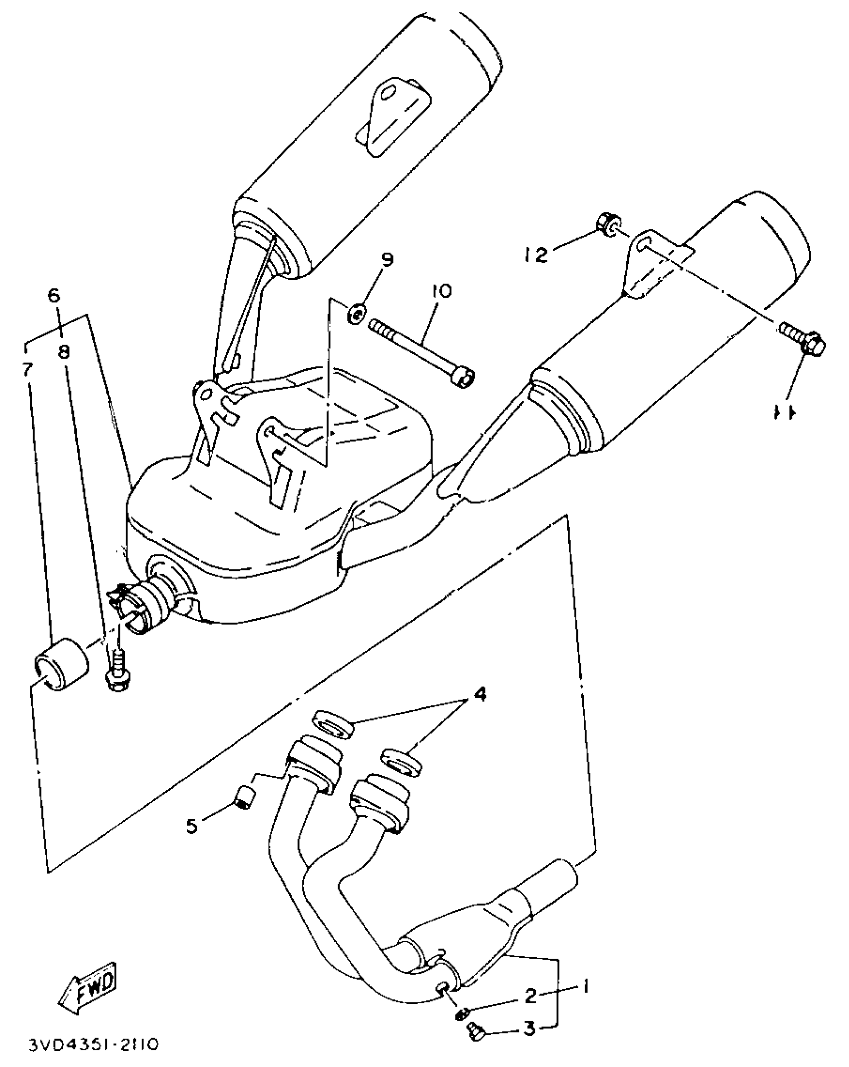
Yamaha TDM850EC (TDM850 CA) 1993 EXHAUST Diagram

#

Description
Price

1

EXHAUST PIPE COMP.

3VD-14602-01-00

Unavailable

2

WASHER(6TA)

92907-06600-00

$2.72

3

BOLT (11T)

90101-06576-00

$8.49

4

GASKET, EXHAUST PIPE

3VD-14613-01-00

$11.99

5

NUT, SPEC''L SHAPE

90179-08345-00

Unavailable

6

MUFFLER ASSY 1

4TX-14710-41-00

Unavailable

7

GASKET, SILENCER

3VD-14755-00-00

$37.99

8

BOLT (71X) =9502608025)

99999-01790-00

$7.49

9

WASHER (853)

90201-08326-00

$8.49

10

BOLT, SOCKET

91317-08110-00

Unavailable

11

BOLT, WASHER BASED(4KM)

90105-10778-00

$4.29

12

NUT, FLANGE(3BM)

95704-10500-00

$4.29