- Partiron
- OEM Parts
- Yamaha
- motorcycle
- 1993
- TDM850EC (TDM850 CA) 1993
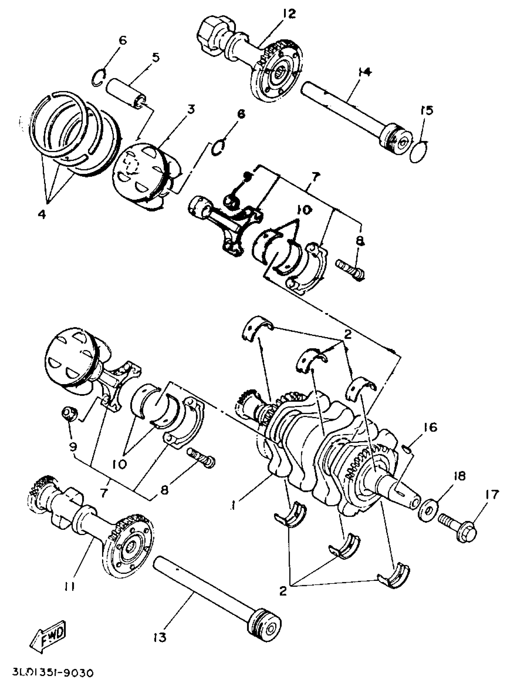
CRANKSHAFT PISTON
Yamaha TDM850EC (TDM850 CA) 1993 CRANKSHAFT PISTON Diagram
#
Description
Price
1
CRANKSHAFT ASSEMBLY
3VD-11400-02-00
Unavailable
3
PISTON STD (STD)
3VD-11631-00-00
Unavailable
3
PISTON 2 O/S 0.50 (0.50MM O/S)
3VD-11636-00-00
Unavailable
3
PISTON 4 O/S 1.00 (1.00MM O/S)
3VD-11638-00-00
Unavailable
4
PISTON RING SET (0.50MM O/S)
3VD-11610-20-00
Unavailable
4
PISTON RING SET (1.00MM O/S)
3VD-11610-40-00
Unavailable
6
CIRCLIP 341116340000
93450-22027-00
Unavailable
7
CONNECTING ROD ASSY
3VD-11650-00-00
Unavailable
8
BOLT, CONNECTING ROD
3LD-11654-00-00
Unavailable
9
NUT (11H)
90179-09379-00
Unavailable
10
PLANE BEARING, CONNECTING ROD
3LD-11656-00-00
Unavailable
10
PLANE BEARING, CONNECTING ROD
3LD-11656-10-00
Unavailable
10
PLANE BEARING, CONNECTING ROD
3LD-11656-20-00
Unavailable
10
PLANE BEARING, CONNECTING ROD
3LD-11656-30-00
Unavailable
11
BALANCER ASSEMBLY
3LD-11500-00-00
Unavailable
12
BALANCER ASSEMBLY., 2
3VD-11510-00-00
Unavailable
13
SHAFT, BALANCER 1
3LD-11583-00-00
Unavailable
14
SHAFT, BALANCER 2
3LD-11584-00-00
Unavailable
15
O-RING(36Y)
93210-30660-00
Unavailable
16
KEY, WOODRUFF (26H)
90280-05029-00
Unavailable
17
BOLT, WASHER BASED(3LD)
90105-12584-00
Unavailable
18
WASHER (838)
90201-12191-00
Unavailable
