- Partiron
- OEM Parts
- Yamaha
- motorcycle
- 1970
- TD2 (TD2) 1970
STARTER
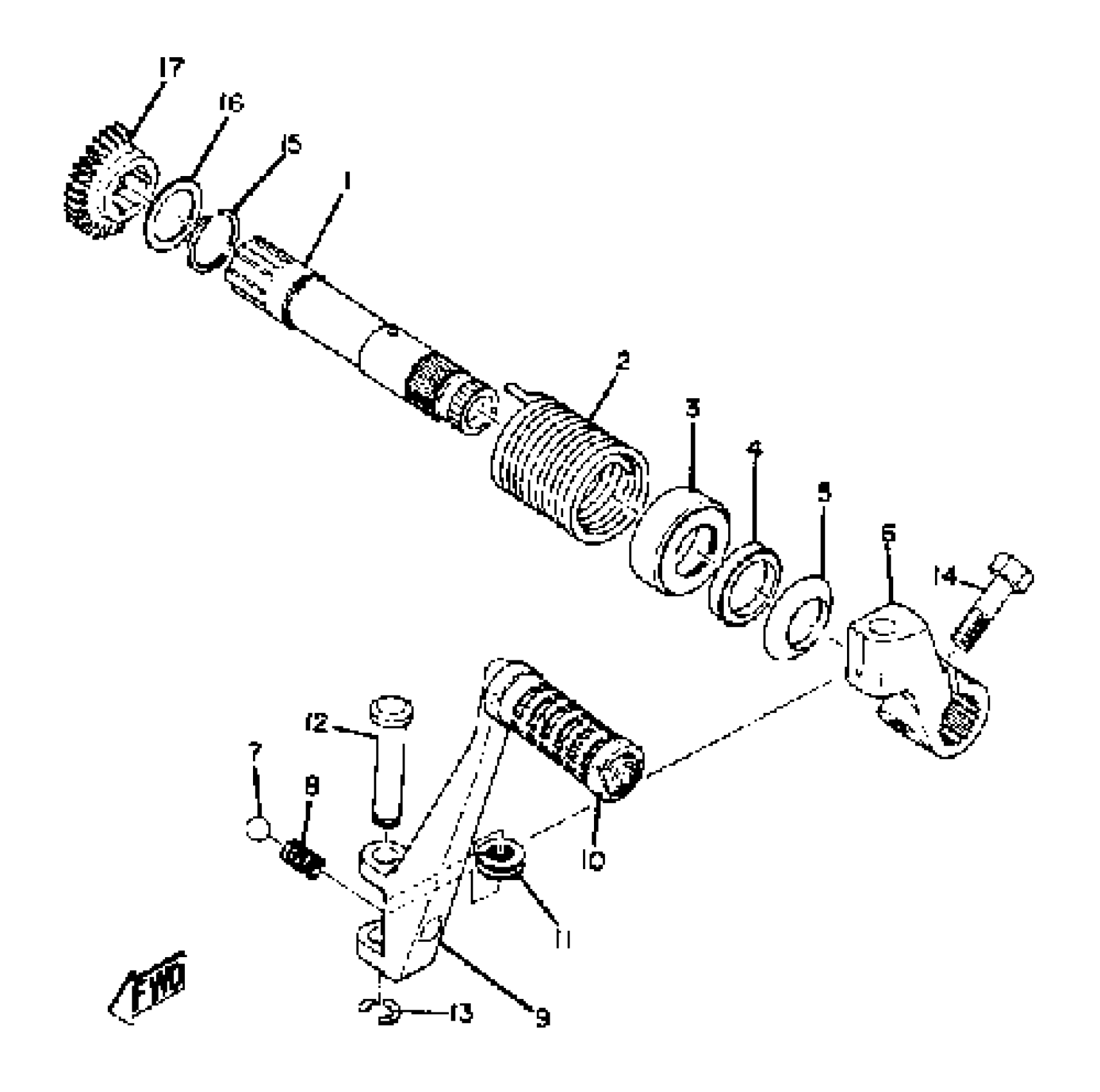
Yamaha TD2 (TD2) 1970 STARTER Diagram
#
Description
Price
1
AXLE, KICK
(152-15661-00-00)
Unavailable
2
SPRING, TORSION
(90508-35069-00)
Unavailable
3
SPRING, TORSION
(90508-35069-00)
Unavailable
5
SEAL
(168-15663-00-00)
Unavailable
6
BOSS, KICK CRANK
(170-15621-01-00)
Unavailable
8
SPRING, COMPRESSION
(90501-15091-00)
Unavailable
9
CRANK, KICK
(177-15611-00-93)
Unavailable
11
SPRING,KICK CRANK
214-15625-00-00
Unavailable
12
PIN, KICK CRANK
(168-15624-00-00)
Unavailable
15
CIRCLIP, OUTER
(93440-20002-00)
Unavailable
16
WASHER, PLATE 1832514700
90201-20269-00
Unavailable
17
GEAR, KICK
(156-15641-00-00)
Unavailable
