- Partiron
- OEM Parts
- Suzuki
- Motorcycle
- 1977
- TC185 (1977)
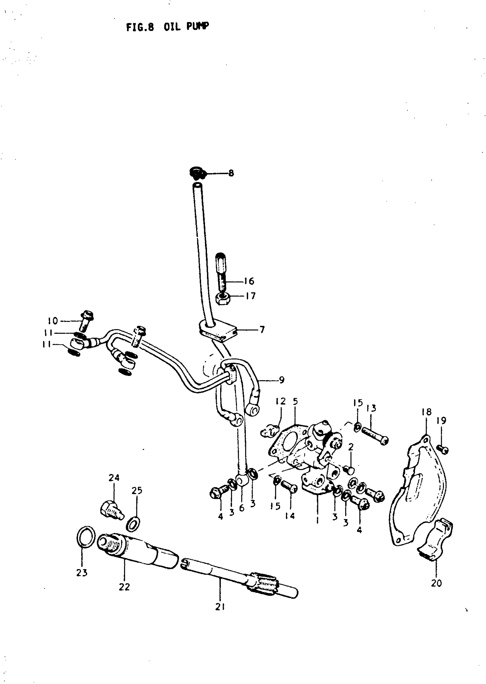
OIL PUMP
Suzuki TC185 (1977) OIL PUMP Diagram
#
Description
Price
1
OIL PUMP ASSY | FROM 16100-29811
16100-29012
Unavailable
3
GASKET | L,M; 6.2x10x1
09168-06003
Unavailable
6
HOSE, OIL (L:512!97) This part replaces 16810-05031.
16810-07520
Unavailable
8
OIL HOSE CLAMP This part replaces 09400-10301.
09400-10302
Unavailable
9
HOSE, OIL OUTLET
16820-29130
Unavailable
11
GASKET | L,M
09168-06003
Unavailable
18
CAP, OIL PUMP INSPECTION
11385-29100
Unavailable
20
GROMMET
11386-29100
Unavailable
21
GEAR, TACHOMETER DRIVEN | NT:13
26431-29100
Unavailable
22
SLEEVE, DRIVEN GEAR
26441-29100
Unavailable
23
O RING
09280-16001
Unavailable
