- Partiron
- OEM Parts
- Yamaha
- motorcycle
- 1974
- TA125A (TA125) 400 1974
TACHOMETER-ELECTRICAL
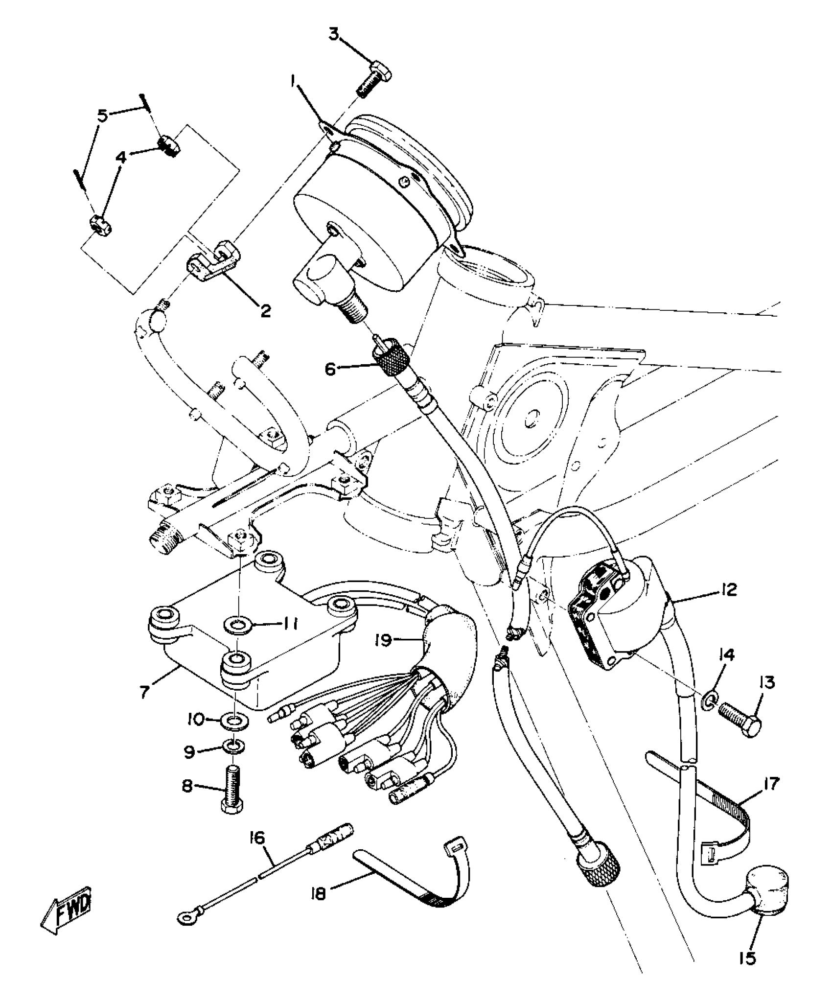
Yamaha TA125A (TA125) 400 1974 TACHOMETER-ELECTRICAL Diagram
#
Description
Price
1
TACHOMETER ASSEMBLY
(307-83540-70-00)
Unavailable
2
DAMPER, BRACKET
143-83543-00-00
Unavailable
3
BOLT, WITH HOLE
(90102-05012-00)
Unavailable
4
NUT, SLTED
95307-05900-00
Unavailable
5
. PIN, COTTER
91401-10015-00
Unavailable
6
TACHOMETER CABLE
(400-83560-00-00)
Unavailable
7
CDI UNIT ASSEMBLY
328-85540-10-00
Unavailable
9
WASHER, SPRING
92995-06100-00
Unavailable
11
WASHER, PLATE
90201-06M08-00
Unavailable
12
IGNITION COIL ASY
400-82310-30-00
Unavailable
14
WASHER, SPRING
92995-06100-00
Unavailable
15
PLUG CAP ASSEMBLY
294-82370-00-00
Unavailable
16
WIRE, MINUS LEAD
307-82116-00-00
Unavailable
17
BAND, SWITCH CORD
437-83936-01-00
Unavailable
18
BAND, SWITCH CORD
25G-83936-01-00
Unavailable
19
COVER, CONNECTER
(214-82599-00-00)
Unavailable
