- Partiron
- OEM Parts
- Suzuki
- Motorcycle
- 1970
- T500-1 (1970)
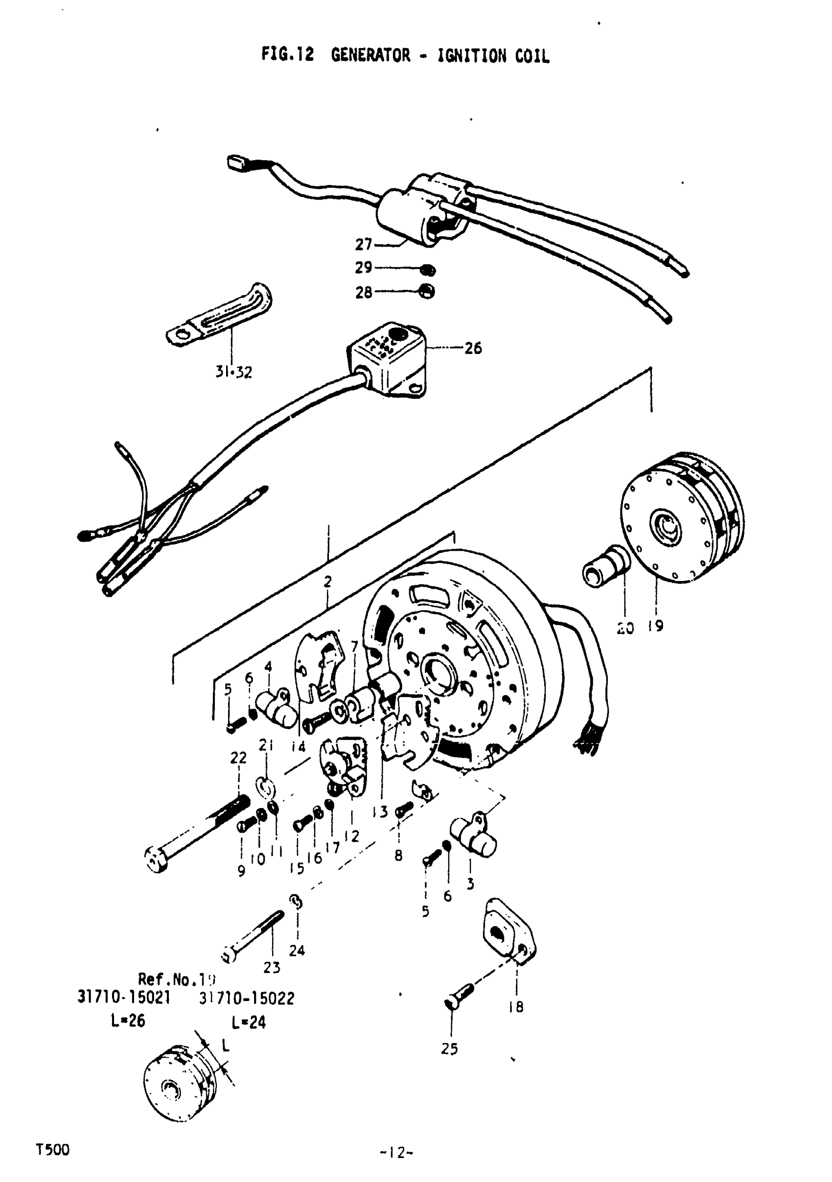
GENERATOR - IGNITION COIL
Suzuki T500-1 (1970) GENERATOR - IGNITION COIL Diagram
#
Description
Price
1
NO DESCRIPTION AVAILABLE | 1,2,3; Includes Item(s) 2 - 22 This part replaces 31400-15120.
31400-15021
Unavailable
2
STATOR ASSY | 1,2,3; NON-COVERED COIL
31401-15021
Unavailable
2
STARTOR ASSY | 1,2,3; COVERED COIL
31401-15121
Unavailable
3
CONDENSER, RH | 1,2,3; TO 31641-18521 This part replaces 31641-15021.
31641-18522
Unavailable
4
CONDENSER, LH | 1,2,3; TO 31642-18521 This part replaces 31642-15022.
31642-18522
Unavailable
7
FELT, OIL | 1,2,3
31638-15020
Unavailable
9
SCREW | 1,2,3 This part replaces 02312-04087.
09125-04001
Unavailable
12
POINT ASSY, CONTACT | 1,2,3
31440-15020
Unavailable
13
BASE, CONTACT POINT RH | 1,2,3
31443-15022
Unavailable
14
BASE, CONTACT POINT LH | 1,2,3
31463-15022
Unavailable
15
SCREW | 1,2,3 This part replaces 02312-04087.
09125-04001
Unavailable
18
GROMMET, WIRING HARNESS | 1,2,3
31485-15020
Unavailable
19
ROTOR | 1,2,3; L:24
31710-15022
Unavailable
19
ROTOR | 1,2,3; L:26
31710-15021
Unavailable
20
CAM, CONTACT BREAKER | 1,2,3
31724-15021
Unavailable
22
BOLT, ROTOR | 1,2,3
31791-15020
Unavailable
26
REGURATOR ASSY | 1,2,3
32500-15020
Unavailable
27
NO DESCRIPTION AVAILABLE | 1,2,3 This part replaces 33410-15020.
33410-15021
Unavailable
30
CLAMP | 1,2; TO 09404-06301
09404-06302
Unavailable
