- Partiron
- OEM Parts
- Suzuki
- Motorcycle
- 1970
- T500-1 (1970)
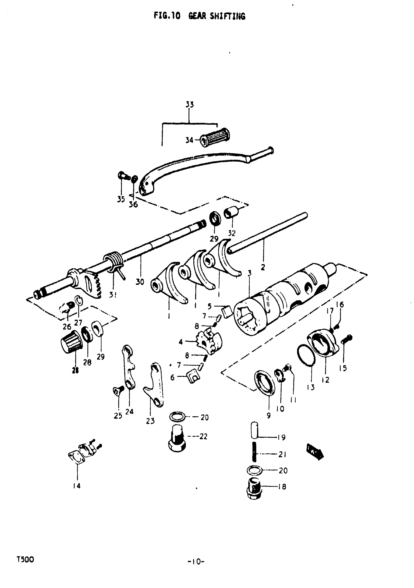
GEAR SHIFTING
Suzuki T500-1 (1970) GEAR SHIFTING Diagram
#
Description
Price
1
FORK, GEAR SHIFTING | 1,2,3
25211-15000
Unavailable
2
SHAFT, SHIFTING FORK | 1,2,3
25411-15000
Unavailable
3
CAM, GEAR SHIFTING | 1,2,3
25310-15001
Unavailable
12
SWITCH, GEAR SHIFTING | 1,2,3
37721-15002
Unavailable
14
GASKET, SHIFTING SWITCH | 1; ~E.NO. 15560
37712-15000
Unavailable
22
BOLT, SHIFTING CAM GUIDE | 1,2,3; 14x20
09119-14003
Unavailable
24
GUIDE, GEAR SHIFTING CAM | 1,2,3
25341-31000
Unavailable
29
CUSHION, SHIFTING SHAFT | 1,2,3
09320-13004
Unavailable
30
SHAFT, GEAR SHIFTING | 1,2; TO 25510-15001
25510-15000
Unavailable
30
SHAFT, GEAR SHIFTING | 3
25510-15001
Unavailable
32
SPACER, SHIFTING SHAFT | 1,2,3
09180-12021
Unavailable
33
LEVER ASSY, GEAR SHIFTING | 1,2; TO 25600-18002 This part replaces 25600-18000.
25600-18001
Unavailable
33
LEVER ASSY, GEAR SHIFTING | 3; Includes Item(s) 34 This part replaces 25600-18002.
25600-18001
Unavailable
