- Partiron
- OEM Parts
- Suzuki
- Motorcycle
- 1970
- T500-1 (1970)
CRANKSHAFT
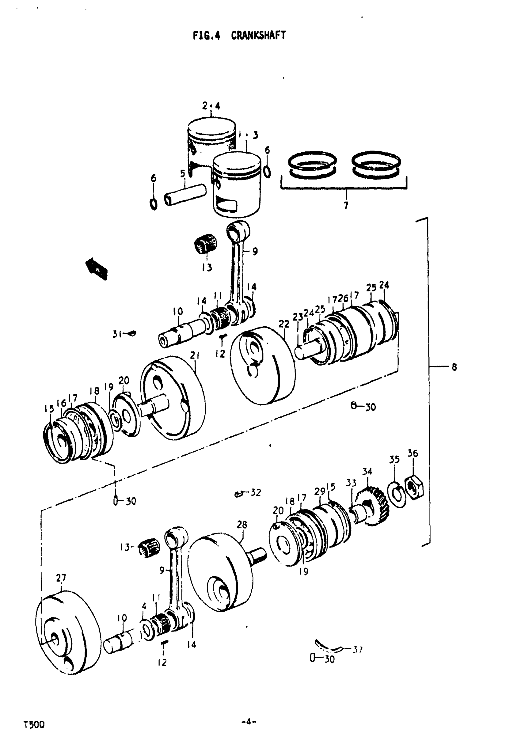
Suzuki T500-1 (1970) CRANKSHAFT Diagram
#
1
PISTON, RH | 1 This part replaces 12110-15000.
12110-15103
Unavailable
1
PISTON SET | 1; OS:0.5; OPT This part replaces 12110-15700.
12103-31830-050
Unavailable
1
PISTON SET, OS: | 1; OS:1.0; OPT This part replaces 12110-15710.
12103-31830-100
Unavailable
2
PISTON, RH | 2; TO 12110-15102 This part replaces 12110-15101.
12110-15103
Unavailable
2
PISTON, RH | 3
12110-15102
Unavailable
2
PISTON SET | 2; OS:0.5 TO 12110-31711; OPT This part replaces 12110-15721.
12103-31830-050
Unavailable
2
PISTON, RH | 3; OPT
12110-31711
Unavailable
2
PISTON SET, OS: | 2; OS:1.0 TO 12110-31721; OPT This part replaces 12110-15731.
12103-31830-100
Unavailable
2
PISTON SET, OS: | 3 This part replaces 12110-31721.
12103-31830-100
Unavailable
3
PISTON, LH | 1 This part replaces 12120-15000.
12120-15103
Unavailable
3
PISTON SET,0S: | 1; OS:1.0; OPT This part replaces 12120-15710.
12103-31870-100
Unavailable
4
PISTON, LH | 2; TO 12120-15102 This part replaces 12120-15101.
12120-15103
Unavailable
4
PISTON, LH | 3
12120-15102
Unavailable
4
PISTON SET,OS:0 | 2; OS:0.5 TO 12120-31711; OPT This part replaces 12120-15721.
12103-31870-050
$160.90
4
PISTON SET,0S: | 2; OS:1.0 TO 12120-31721; OPT This part replaces 12120-15731.
12103-31870-100
Unavailable
4
PISTON SET,0S: | 3; OS:1.0; OPT This part replaces 12120-31721.
12103-31870-100
Unavailable
7
RING ASSY, PISTON | 1,2,3; TO 12140-15012 This part replaces 12140-15011.
12140-15013
Unavailable
7
RING SET, PISTON (OS:0.5) | 1,2,3; OS:0.5; OPT This part replaces 12140-15701.
12140-30010-050
Unavailable
7
RING SET, PISTON (OS:1.0) | 1,2,3; OS:1.0; OPT This part replaces 12140-15711.
12140-30010-100
Unavailable
8
CRANKSHAFT ASSY | 1,2
12001-15802
Unavailable
8
CRANKSHAFT ASSY | 3; Includes Item(s) 9 - 11
12200-15000
Unavailable
9
ROD, CONNECTING | 1,2,3
12161-15000
Unavailable
10
PIN, CRANK | 1,2,3
12211-15000
Unavailable
11
CAGE, NEEDLE ROLLER | 1,2,3
12215-15010
Unavailable
12
ROLLER | 1,2,3; Includes Item(s) 13 - 29
09261-03009
Unavailable
13
BEARING (18X23X24) | 1,2,3 This part replaces 09263-18005.
09263-18021
Unavailable
14
THRUST WASHER | 1,2,3; 24x44x1
09160-24007
Unavailable
15
CIRCLIP | 1,2,3
09381-62001
Unavailable
17
O RING | 1,2,3
09280-76001
Unavailable
18
BEARING, CRANKSHAFT | 1,2,3
09269-25003
Unavailable
20
PLATE, OIL GUIDE | 1,2,3
12511-15000
Unavailable
21
CRANKSHAFT, LH | 1,2,3
12261-15000
Unavailable
22
WHEEL, MIDDLE CRANK LH | 1,2,3
12251-15000
Unavailable
23
CRANKSHAFT, MIDDLE | 1,2,3
12231-15000
Unavailable
24
CIRCLIP | 1,2,3
09381-65001
Unavailable
25
OIL SEAL | 1,2,3
09283-30003
Unavailable
26
BEARING, MIDDLE CRANK | 1,2,3
09269-30002
Unavailable
27
CRANKSHAFT, MIDDLE | 1,2,3 This part replaces 12241-15000.
12231-15001
Unavailable
28
CRANKSHAFT, RH | 1,2,3
12221-15000
Unavailable
29
OIL SEAL | 1,2,3
09283-35002
Unavailable
32
KEY | 1,2,3
09421-07001
Unavailable
33
SPACER, PRIMARY GEAR | 1,2,3; 25x35x11.8
09180-25012
Unavailable
34
GEAR, PRIMARY DRIVE | 1,2,3; NT:16
21111-15001
Unavailable
35
WASHER | 1,2,3; 20.4x40x2
09166-20003
Unavailable
36
NUT | 1,2,3
09140-20007
Unavailable
37
C RING | 1,2,3
09390-80001
Unavailable
