- Partiron
- OEM Parts
- Can-Am
- ATV
- 2026
- Outlander Series
- Outlander MAX 700 EFI 6X6 - 2026
- OUT-MAX - 6X6 - DPS - 700 EFI - 2FTB - Granite Grey - 2026
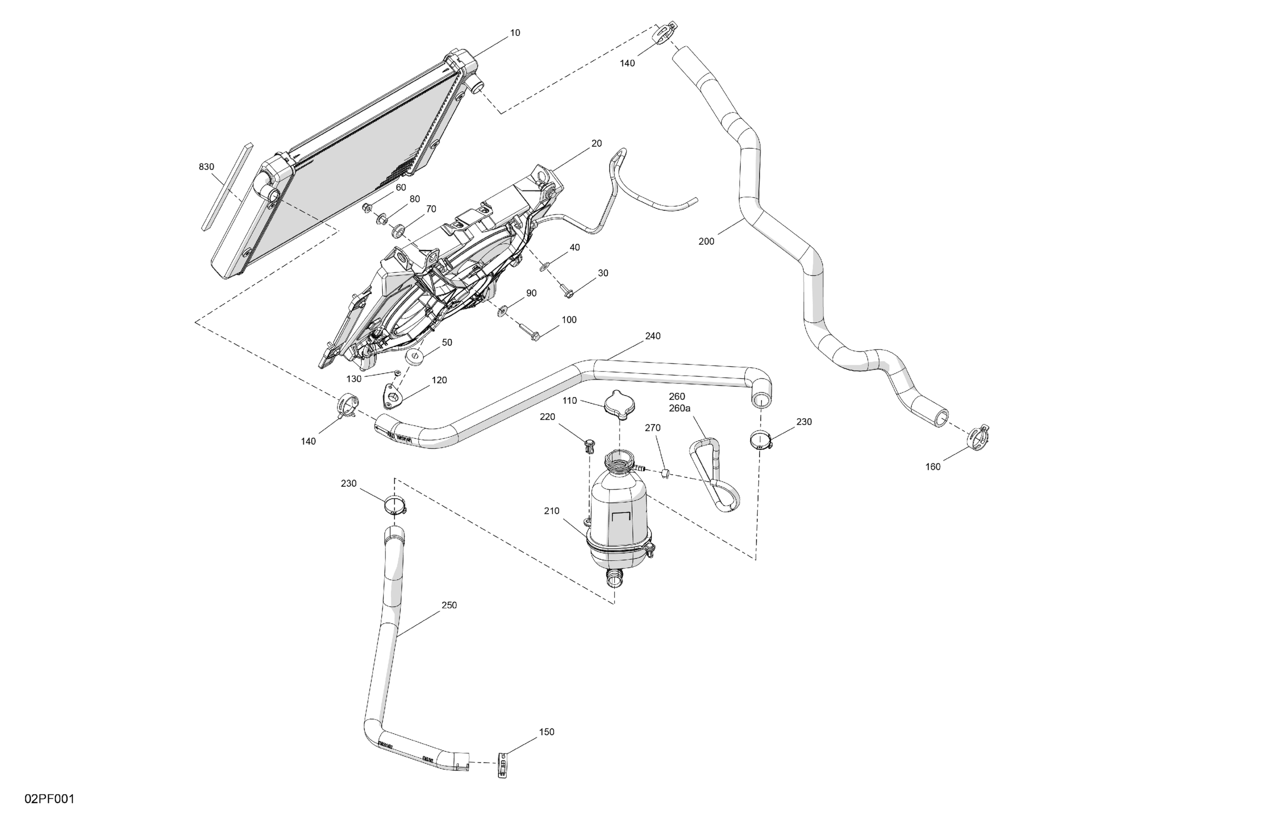
Engine - Cooling
Can-Am OUT-MAX - 6X6 - DPS - 700 EFI - 2FTB - Granite Grey - 2026 Engine - Cooling Diagram
#
Description
Price
260a
Not Available As Spare Parts
XXX
Unavailable
