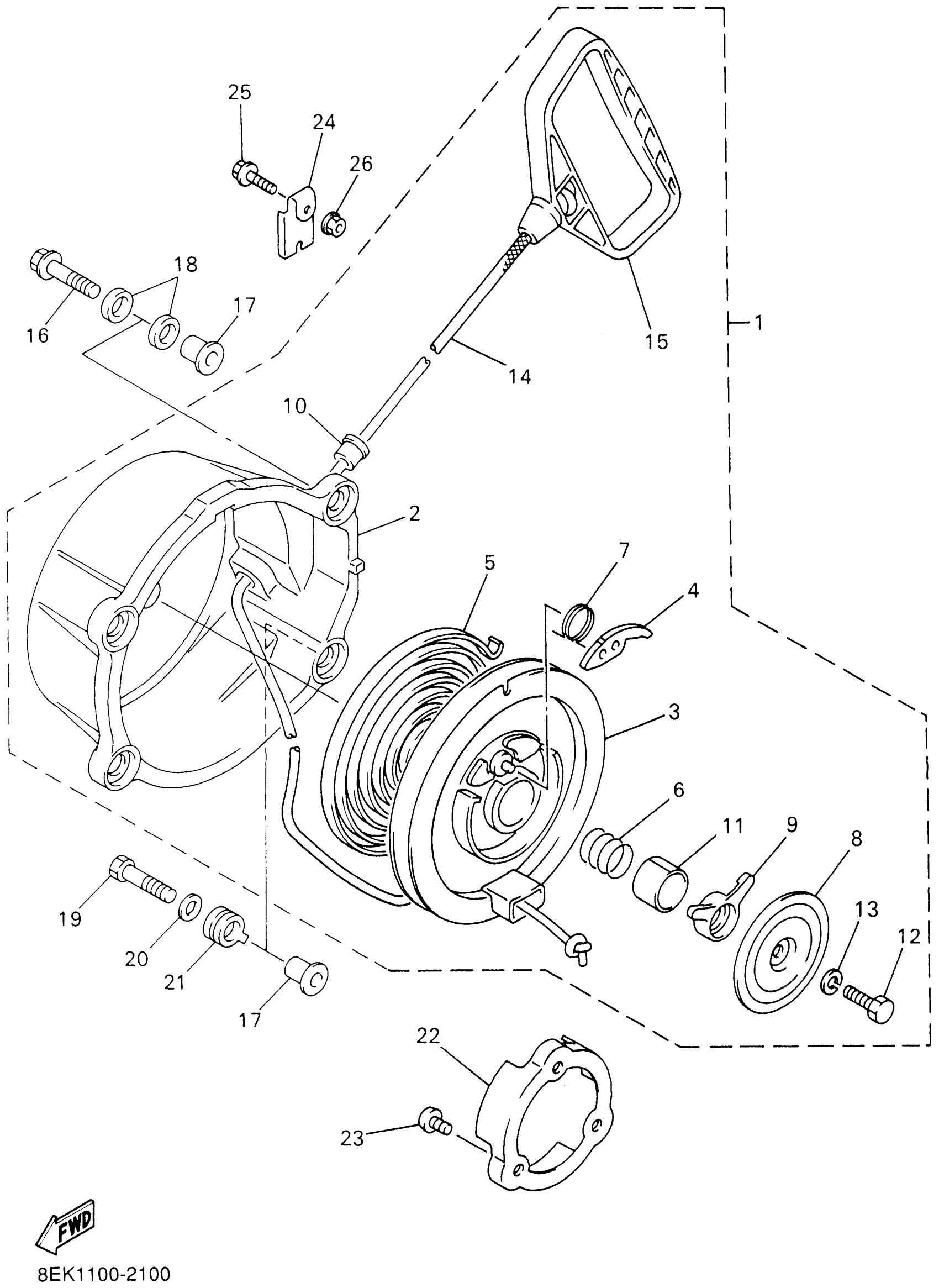
Yamaha SXV700G (SXVIPER) 8EK1 2002 STARTER Diagram
#
Description
Price
1
STARTER ASSY
8EK-15710-00-00
Unavailable
2
CASE, STARTER
8EK-15711-00-00
Unavailable
3
DRUM, SHEAVE
8DF-15714-01-00
Unavailable
4
PAWL, DRIVE
8EK-15741-00-00
Unavailable
5
. SPRING, STARTER
8DF-15713-00-00
Unavailable
6
SPRING, FRICTION
8DF-15715-00-00
Unavailable
7
. SPRING
8CH-15767-00-00
Unavailable
8
. PLATE, DRIVE
8DF-15716-00-00
Unavailable
9
. GUIDE, CAM
8DF-15735-00-00
Unavailable
11
. BUSH
8DF-15753-00-00
Unavailable
12
. BOLT
8DF-15768-00-00
Unavailable
16
BOLT, WITH WASHER
90119-08240-00
Unavailable
17
COLLAR
90387-08071-00
Unavailable
18
BUSH (8M6)
90385-12036-00
Unavailable
19
BOLT
97017-08035-00
Unavailable
20
WASHER(6TA)
92907-08600-00
Unavailable
21
BUSH
90386-12001-00
Unavailable
22
PULLEY, STARTER
8DF-15723-00-00
Unavailable
23
BOLT, BUTTON HEAD
92017-08012-00
Unavailable
24
GUIDE, ROPE
8DF-15758-10-00
Unavailable
25
BOLT, FLANGE
95817-06014-00
Unavailable
26
NUT, FLANGE(4MV)
95707-06500-00
Unavailable
