- Partiron
- OEM Parts
- Yamaha
- snowmobile
- 2002
- SXV700ERG (SXVIPER ER (ELEC START)) 8FB1 2002
TRACK DRIVE 2
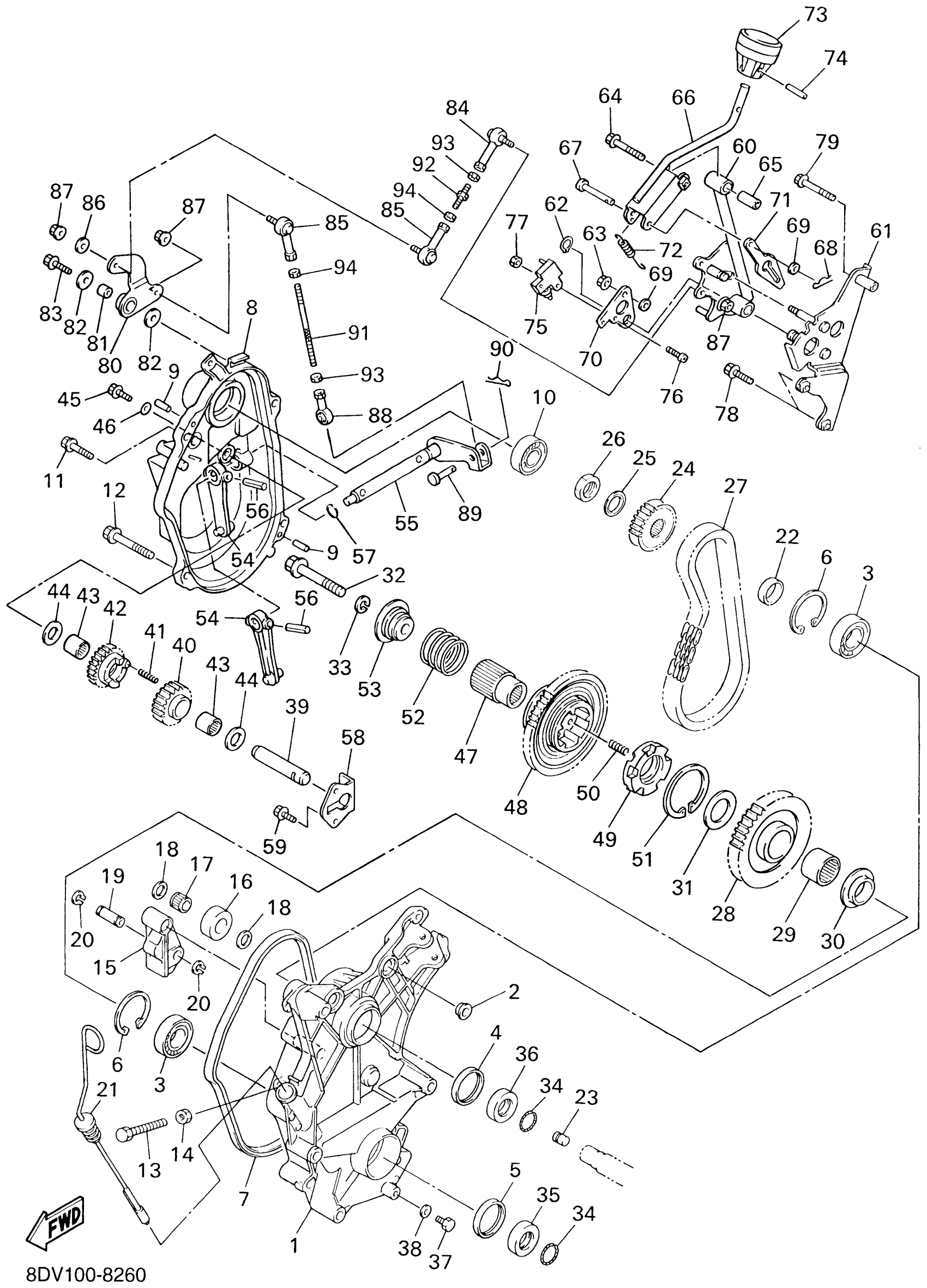
Yamaha SXV700ERG (SXVIPER ER (ELEC START)) 8FB1 2002 TRACK DRIVE 2 Diagram
#
2
NUT(8CJ)
90179-10679-00
Unavailable
8
. CAP, HOUSING
8CW-47543-02-00
Unavailable
13
BOLT, HEXAGON (8F3)
90101-10357-00
Unavailable
15
HOLDER
8CR-47613-00-00
Unavailable
16
WHEEL
8CR-47612-00-00
Unavailable
17
BRG,CYL-CAL ROLLER 11G KY
93315-21227-00
Unavailable
18
WASHER, PLATE (5N6)
90201-127E1-00
Unavailable
19
PIN(8CJ)
90249-12227-00
Unavailable
20
CIRCLIP(10Y)
99009-12400-00
Unavailable
21
LEVEL, OIL
8CR-47546-00-00
Unavailable
22
COLLAR
90387-2508D-00
Unavailable
23
PLUG, OIL
82M-17699-00-00
Unavailable
24
SPROCKET, CHAIN DRIVE
8DW-17682-20-00
Unavailable
25
WASHER 810475810000
90208-22001-00
Unavailable
26
NUT (821-47579-00)
90170-22094-00
Unavailable
27
CHAIN
94890-09068-00
Unavailable
28
SPROCKET, CHAIN DRIVEN
8FB-47587-80-00
Unavailable
29
BEARING, CYLINDRICAL(8DA)
93317-33179-00
Unavailable
30
COLLAR(8DA)
90387-2008G-00
Unavailable
31
WASHER, PLATE(8DA)
90201-320S3-00
Unavailable
32
BOLT, FLANGE(7LU)
95817-10070-00
Unavailable
33
WASHER(6TA)
92907-10100-00
Unavailable
34
O-RING (169)
93210-25071-00
Unavailable
35
COLLAR(8CJ)
90387-2508C-00
Unavailable
36
COLLAR
90387-2511J-00
Unavailable
37
BOLT(8BC)
97007-08014-00
Unavailable
38
WASHER, SEAL(8AB)
90210-08017-00
Unavailable
39
SHAFT, 1
8CW-1761A-00-00
Unavailable
40
SPROCKET, DRIVE
8FB-17692-00-00
Unavailable
41
SPRING COMPRESSION278185450000
90501-06022-00
Unavailable
42
REVERSE GEAR SUB-ASSY 1 (RGEAR
8CW-W1714-00-00
Unavailable
43
BEARING, CYLINDRICAL(8DA)
93317-21578-00
Unavailable
44
WASHER PLATE (3L6)
90201-16245-00
Unavailable
45
BOLT, FLANGE
95817-06016-00
Unavailable
46
WASHER, SEAL (7G5)
90210-06006-00
Unavailable
47
JOURNAL 1
8CW-47571-00-00
Unavailable
48
GEAR, REVERSE WHEEL 1
8CW-17243-00-00
Unavailable
49
DOG, TRANSMISSION SHIFT
8CW-17492-00-00
Unavailable
50
SPRING, COMPRESSION(8DA)
90501-066J5-00
Unavailable
51
CIRCLIP(8DA)
93440-39175-00
Unavailable
52
. SPRING, COMPRESSION
90501-326J6-00
Unavailable
53
COLLAR
8CW-47564-01-00
Unavailable
54
FORK, SHIFT 1
8ER-18511-00-00
Unavailable
55
. SHAFT
8CW-18197-00-00
Unavailable
56
PIN, SPRING(8DA)
91609-50022-00
Unavailable
57
O-RING (328)
93210-12131-00
Unavailable
58
PLATE
8CW-47591-00-00
Unavailable
59
BOLT, FLANGE
95817-06016-00
Unavailable
60
. ARM, SHIFT
8CW-18112-01-00
Unavailable
61
GUIDE, PLATE STOPPER
8CW-18161-01-00
Unavailable
62
CIRCLIP(10Y)
99009-12400-00
Unavailable
63
NUT,SELF-LOCKING
95607-06200-00
Unavailable
64
BOLT, FLANGE
95817-06035-00
Unavailable
65
. COLLAR
90387-06605-00
Unavailable
66
LEVER, SHIFT 4
8CW-18152-01-00
Unavailable
67
PIN, CLEVIS (2F9)
91701-06035-00
Unavailable
68
CLIP (156-83525-00)
90468-10050-00
Unavailable
69
WASHER(6TA)
92907-06200-00
Unavailable
70
PLATE, SHIFT ARM
8CW-1811A-00-00
Unavailable
71
. GUIDE, SHIFT RETURN SPRING
8CW-18153-00-00
Unavailable
72
SPRING, TENSION (36X)
90506-14343-00
Unavailable
73
KNOB, SHIFT LEVER
8CL-18174-00-00
Unavailable
74
PIN,SPRING (648)
91690-40022-00
Unavailable
75
SWITCH
J51-82817-00-00
Unavailable
76
. SCREW, BIND
98907-04016-00
Unavailable
77
NUT, U (7LY)
95617-04100-00
Unavailable
78
BOLT, FLANGE
95817-06025-00
Unavailable
79
BOLT, FLANGE
95817-06040-00
Unavailable
80
LEVER
8CW-18198-00-00
Unavailable
81
COLLAR
90387-06197-00
Unavailable
82
WASHER, PLATE(36Y)
90201-063J2-00
Unavailable
83
BOLT, FLANGE
95817-06025-00
Unavailable
84
JOINT, UNIVERSAL 2
J45-23845-00-00
Unavailable
85
JOINT 2
88T-18157-00-00
Unavailable
86
WASHER, PLATE (8K2)
90201-06778-00
Unavailable
87
NUT,SELF-LOCKING
95607-06200-00
Unavailable
88
JOINT 1
8CW-18156-00-00
Unavailable
89
PIN, COTTER (1W2)
91701-06022-00
Unavailable
90
CLIP (156-83525-00)
90468-10050-00
Unavailable
91
JOINT, ROD 1
88T-18116-01-00
Unavailable
92
ROD, SHIFT
26H-18115-00-00
Unavailable
93
NUT, HEXAGON
95314-06600-00
Unavailable
94
NUT (2H9)
90170-06228-00
Unavailable
