- Partiron
- OEM Parts
- Yamaha
- snowmobile
- 2002
- SXV700ERG (SXVIPER ER (ELEC START)) 8FB1 2002
ELECTRICAL 1
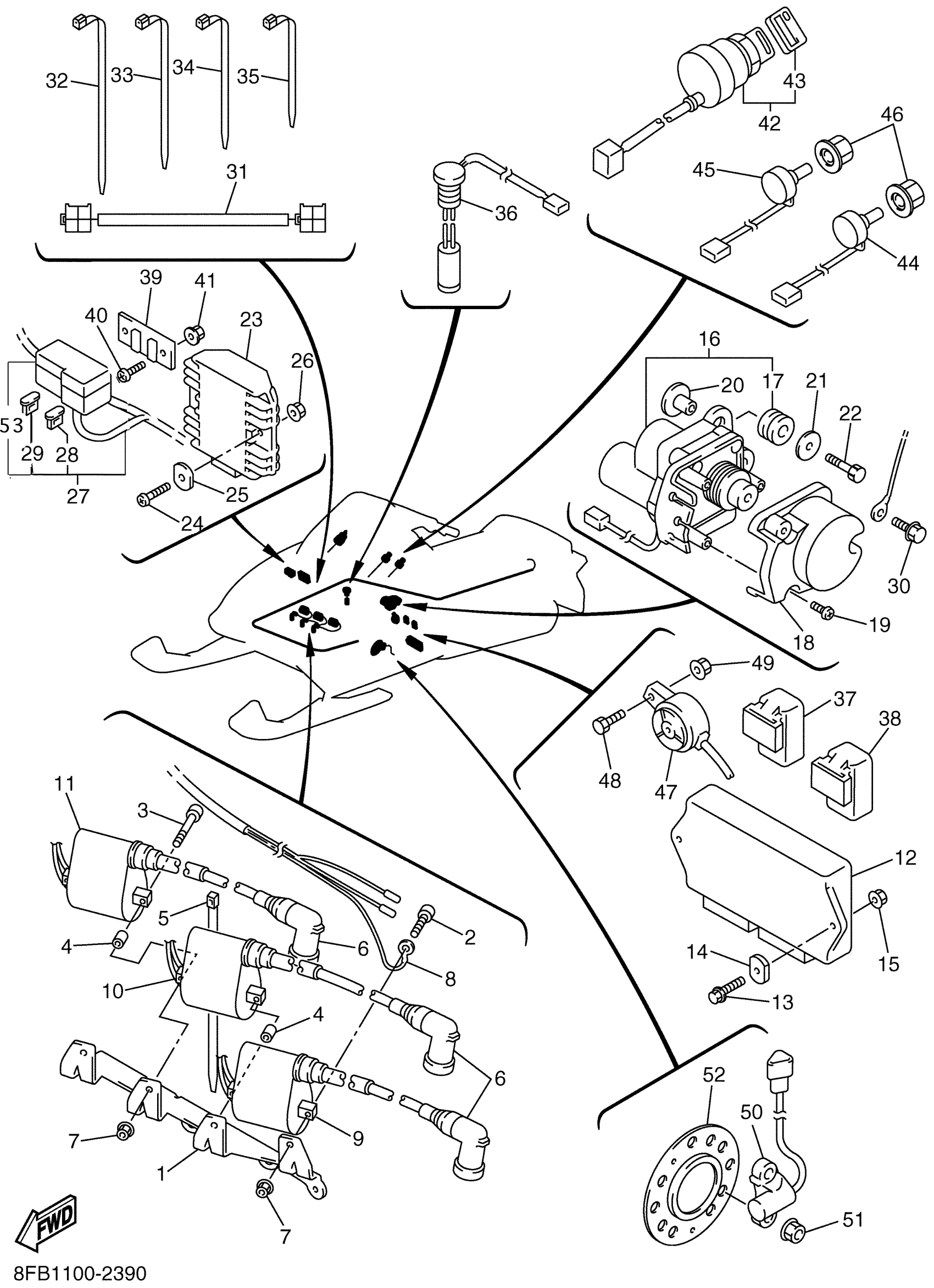
Yamaha SXV700ERG (SXVIPER ER (ELEC START)) 8FB1 2002 ELECTRICAL 1 Diagram
#
1
BRACKET, IGNITION COIL
8EK-82316-00-00
Unavailable
2
BOLT,SOCKET
91317-06020-00
Unavailable
8
WIRE, SUB LEAD
8EK-82509-00-00
Unavailable
9
IGNITION COIL ASSY
8DF-82310-10-00
Unavailable
10
IGNITION COIL ASSY
8DF-82310-10-00
Unavailable
11
IGNITION COIL ASSY
8DF-82310-10-00
Unavailable
12
C.D.I. UNIT ASSY
8EK-85540-00-00
Unavailable
14
NUT,SPEC'L SHAPE
90179-06W01-00
Unavailable
16
SERVO MOTOR ASSY
8DF-85820-00-00
Unavailable
17
GROMMET 839774310000
90480-14023-00
Unavailable
18
COVER, SERVO MOTOR
8DF-85829-00-00
Unavailable
19
SCREW, PAN HEAD(3LA)
98517-05010-00
Unavailable
20
COLLAR(52E)
90387-063G3-00
Unavailable
21
WASHER, PLATE
90201-06380-00
Unavailable
22
BOLT, HEXAGON
97017-06030-00
Unavailable
23
RECTIFIER & REGULATOR ASSY
5BN-81960-00-00
Unavailable
24
SCREW, BINDING
98907-06025-00
Unavailable
25
NUT,SPEC'L SHAPE
90179-06W01-00
Unavailable
27
WIRE HARNESS ASSY
8FB-82590-10-00
Unavailable
28
. FUSE (10A)
67F-82151-40-00
Unavailable
29
FUSE
5JJ-82151-20-00
Unavailable
30
BOLT(3JP)
97017-06010-00
Unavailable
31
WIRE, LEAD
8DM-8471G-00-00
Unavailable
32
BAND, SWITCH CORD
25G-83936-01-00
Unavailable
35
CLAMP
90464-13077-00
Unavailable
36
OIL LEVEL GAUGE ASSY
8CR-85720-02-00
Unavailable
37
RELAY ASSY (8DM-00)
8DM-81950-00-00
Unavailable
38
RELAY ASSY
5DM-81950-01-00
Unavailable
39
BRACKET
JT1-83614-00-00
Unavailable
40
SCREW, PAN
98507-06014-00
Unavailable
42
MAIN SWITCH ASSY
8DM-82510-00-00
Unavailable
43
CAP, KEY
526-82579-00-00
Unavailable
44
RESISTOR, VARIABLE
8DM-87283-00-00
Unavailable
45
RESISTOR, VARIABLE
8DM-87283-10-00
Unavailable
46
KNOB, VARIABLE RESISTOR
8DM-87284-00-00
Unavailable
47
BUZZER
8CW-83383-00-00
Unavailable
48
BOLT(3JK)
97027-05020-00
Unavailable
49
NUT, FLANGE(3GM)
95707-05500-00
Unavailable
50
SENSOR, SPEED
8FP-83755-01-00
Unavailable
51
NUT, NYLON
95717-08300-00
Unavailable
52
HOUSING, FRONT AXLE
8EK-47551-00-00
Unavailable
53
. BOX, COVER
1AE-82172-00-00
Unavailable
